logo

Crowdly

Browser

Add to Chrome

ENGG104 (DB225) Electrical Systems

Looking for ENGG104 (DB225) Electrical Systems test answers and solutions? Browse our comprehensive collection of verified answers for ENGG104 (DB225) Electrical Systems at moodle.uowplatform.edu.au.

Get instant access to accurate answers and detailed explanations for your course questions. Our community-driven platform helps students succeed!

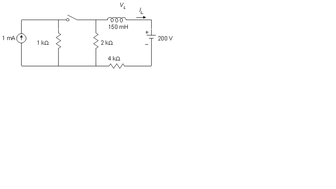
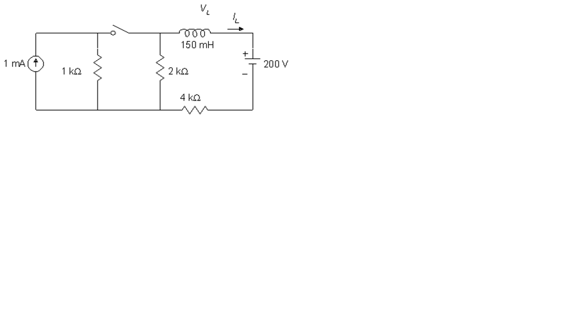
In the circuit below, find vL after 64.2 μs.

0%
0%
100%
0%
View this question

In the circuit below, find the current iL at 1 time constant.

100%
0%
0%
0%
View this question

What is the time constant for the circuit below when the switch is closed?

0%
0%
0%
0%
View this question

What is the induced voltage between t = 1 ms and t = 3 ms across a 25 mH coil if the indicated current is flowing in the coil?

0%
0%
0%
0%
View this question

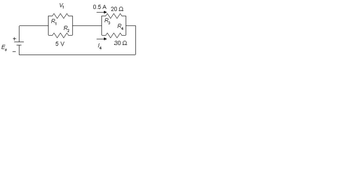
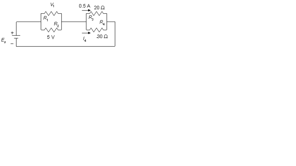
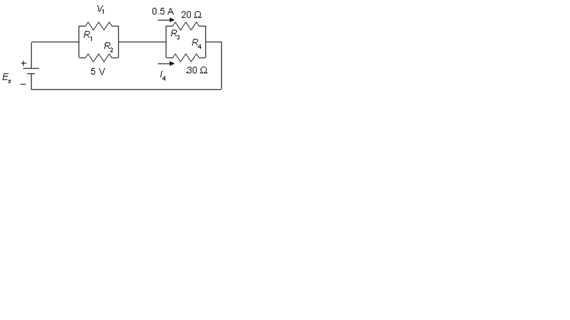
Using the circuit below, find the current I4.

0%
0%
0%
100%
View this question

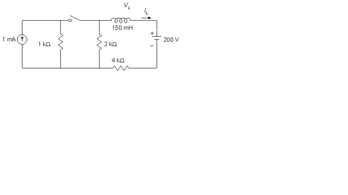
Using the circuit below, determine VL.

0%
0%
0%
0%
View this question

Find the total conductance for the network.

0%
100%
0%
0%
View this question

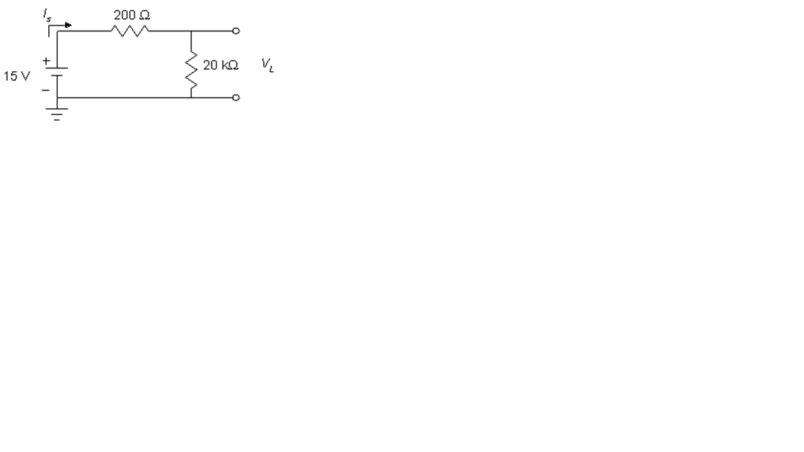
Find the voltage V1.

100%
0%
0%
0%
View this question

Using the circuit below, find the source voltage Vs.

0%
0%
0%
0%
View this question

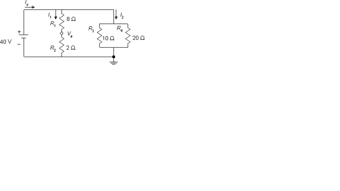
Find the current I1.

0%
0%
0%
0%
View this question

Want instant access to all verified answers on moodle.uowplatform.edu.au?

Get Unlimited Answers To Exam Questions - Install Crowdly Extension Now!

Browser

Add to Chrome