logo

Crowdly

Browser

Add to Chrome

ENGG104 (DB225) Electrical Systems

Looking for ENGG104 (DB225) Electrical Systems test answers and solutions? Browse our comprehensive collection of verified answers for ENGG104 (DB225) Electrical Systems at moodle.uowplatform.edu.au.

Get instant access to accurate answers and detailed explanations for your course questions. Our community-driven platform helps students succeed!

Find the voltage Vab across the ideal current source.

0%
0%
100%
0%
View this question

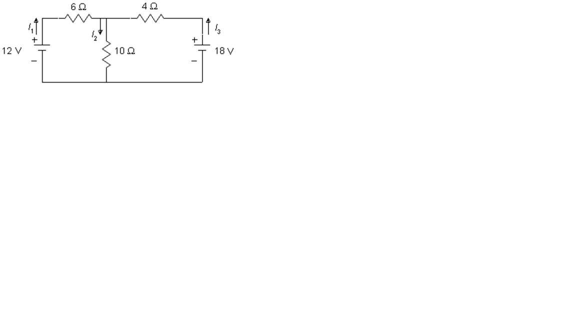
Use Nodal analysis to find the current I2.

0%
0%
0%
0%
View this question

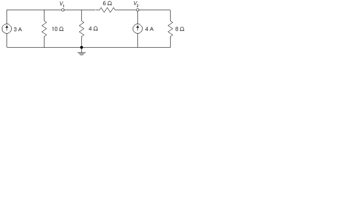
Find the node voltage V1.

0%
0%
0%
100%
View this question

Find the Thévenin equivalent circuit external to the resistor RL.

0%
0%
0%
0%
View this question

Find the Thévenin equivalent circuit external to the resistor RL.

0%
0%
0%
0%
View this question

Use superposition to find the current through resistor R1.

0%
0%
0%
0%
View this question

Find the current I1.

0%
0%
0%
100%
View this question

Find the voltage V using superposition.

0%
0%
0%
100%
View this question

Find the Thévenin equivalent circuit.

0%
0%
0%
0%
View this question

Find the Thévenin equivalent circuit.

View this question

Want instant access to all verified answers on moodle.uowplatform.edu.au?

Get Unlimited Answers To Exam Questions - Install Crowdly Extension Now!

Browser

Add to Chrome