logo

Crowdly

Browser

Add to Chrome

Electro y Electrónica IG (G2)

Looking for Electro y Electrónica IG (G2) test answers and solutions? Browse our comprehensive collection of verified answers for Electro y Electrónica IG (G2) at moodle.upm.es.

Get instant access to accurate answers and detailed explanations for your course questions. Our community-driven platform helps students succeed!

Aplicando Boucherot, las potencias activa y reactiva totales del circuito (se debe tener en cuenta el signo de las potencias de los distintos elementos del circuito (no incluido en el gráfico)), son (2 puntos) :

0%
0%
100%
0%
View this question

La potencia aparente S se puede expresar en forma compleja como P + j.Q, siendo tag φ = Q/P.

0%
0%
View this question

 

 

 

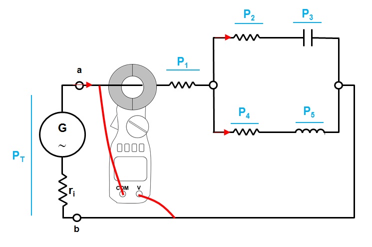
En el circuito de la figura, P1, P2, P4 y P5 han registrado un valor de 5 W cada una, siendo P3 despreciable. ¿Qué valor registrará un vatímetro al medir la PT?

TP03.01

100%
0%
0%
0%
View this question

 

 

 

En el circuito de la figura, P1, P2, P4 y P5 han registrado un valor de 1 W cada una, siendo P3 despreciable. ¿Qué valor registrará el vatímetro de la figura?

TP03.04

0%
0%
0%
0%
View this question

¿Qué receptor tiene potencia reactiva (distinta de 0)?:

 

 

0%
0%
0%
0%
View this question

La potencia activa

 

 

0%
0%
100%
0%
View this question

¿Qué ecuación permite calcular la potencia aparente (S)?:

0%
0%
0%
100%
View this question

La reducción del factor de potencia de una instalación de 0.95 a 0.8 supone:

0%
0%
0%
0%
View this question

¿Qué elemento ideal tiene una potencia reactiva Q = 0?:

0%
0%
0%
0%
View this question

Si Ẑ1= 10 + j20  y  Ẑ2= 30-j50, indicar el resultado de las siguientes operaciones (2 puntos):

View this question

Want instant access to all verified answers on moodle.upm.es?

Get Unlimited Answers To Exam Questions - Install Crowdly Extension Now!

Browser

Add to Chrome