logo

Crowdly

Browser

Add to Chrome

Електричні апарати (2024-2025)

Looking for Електричні апарати (2024-2025) test answers and solutions? Browse our comprehensive collection of verified answers for Електричні апарати (2024-2025) at moodle.zp.edu.ua.

Get instant access to accurate answers and detailed explanations for your course questions. Our community-driven platform helps students succeed!

               

                     а) б) в)

View this question

Залежно  від  вхідного  сигналу  розрізняють  реле,  що  реагують  на ...................... та/або ........................ значення струму, напруги, потужності, частоти і ін

0%
0%
0%
0%
0%
View this question

Для

чого застосовують контактне натискання в електричних контактах електричних

апаратів?

0%
0%
0%
0%
0%
View this question

 З яких матеріалів виготовляються контактуючі елементи електричних апаратів?

View this question

Які

дугогасительниє камери найбільш ефективні?

View this question

View this question

На рисунку зображено запобіжники дайте відповідь в чому полягає різниця між ними?

View this question

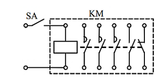
На рисунку зображено 

0%
0%
0%
View this question

Контактор

и та пускачі – це

View this question

Want instant access to all verified answers on moodle.zp.edu.ua?

Get Unlimited Answers To Exam Questions - Install Crowdly Extension Now!

Browser

Add to Chrome