logo

Crowdly

Browser

Add to Chrome

Лекційний курс з дисципліни "Основи електроніки та мікросхемотехніки" у 2024/2025 навчальному році

Looking for Лекційний курс з дисципліни "Основи електроніки та мікросхемотехніки" у 2024/2025 навчальному році test answers and solutions? Browse our comprehensive collection of verified answers for Лекційний курс з дисципліни "Основи електроніки та мікросхемотехніки" у 2024/2025 навчальному році at moodle.zp.edu.ua.

Get instant access to accurate answers and detailed explanations for your course questions. Our community-driven platform helps students succeed!

Какой коэффициент усиления К п имеет данная схема, если R1 = 100 кОм, R2 = 300 кОм, а R3 = 150 кOм?

0%
0%
0%
0%
View this question

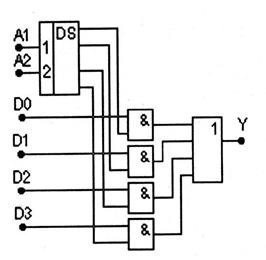
Логическая структура какого устройства показана на рисунке?

0%
0%
0%
100%
View this question

Каково предназначение цепи R 4СЗ в схеме усилителя, приведенной на рисунке?

0%
0%
0%
0%
View this question

Схема какого устройства представлена ​​на рисунке?

0%
0%
0%
0%
View this question

Какой параметр характеризует основное предназначение схемы?

0%
0%
0%
0%
View this question

Транзистор должен работать в активном режиме. В какой из приведенных схем правильно подключены источники питания?

0%
0%
0%
0%
View this question

Какой параметр фотодиода изменяется при увеличении интенсивности оптического потока излучения?

100%
0%
0%
0%
View this question

Какое преимущество у усилителей класса В перед усилителями класса А?

0%
0%
0%
0%
View this question

Какая характеристика усилителя изображена на рисунке?

0%
0%
0%
0%
View this question

На каком из рисунков представлена ​​инвертирующая схема включения операционного усилителя с отрицательной обратной связью?

0%
0%
0%
0%
View this question

Want instant access to all verified answers on moodle.zp.edu.ua?

Get Unlimited Answers To Exam Questions - Install Crowdly Extension Now!

Browser

Add to Chrome