logo

Crowdly

Browser

Add to Chrome

Інженерна механіка (ММК)

Looking for Інженерна механіка (ММК) test answers and solutions? Browse our comprehensive collection of verified answers for Інженерна механіка (ММК) at op.tsatu.edu.ua.

Get instant access to accurate answers and detailed explanations for your course questions. Our community-driven platform helps students succeed!

Яка одиниця вимірювання модуля пружності І роду Е (модуля Юнга)?
0%
0%
0%
0%
View this question
В яких координатних осях на випробувальній машині записується діаграма розтягу зразка?
0%
0%
0%
0%
View this question
Який матеріал має анізотропні властивості?
View this question
Визначити максимальне абсолютне подовження в момент розриву, якщо початкова довжина зразка , а довжина в момент розриву ?
50%
0%
0%
50%
View this question
Як визначити абсолютне подовження ∆l при розтягу?
0%
0%
67%
0%
View this question
Величину якої геометричної характеристики перерізу треба збільшити щоб зросла міцність балки при крученні?
0%
0%
0%
0%
View this question
Сила взаємодії між частками елементів конструкцій називається:
0%
0%
0%
0%
View this question
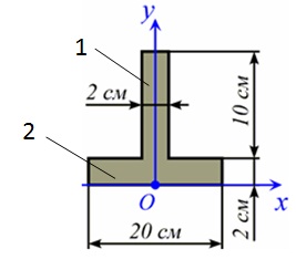
Задано складний перетин, що складається з двох прямокутників. Позначимо верхній прямокутник №1, а нижній №2.

Чому дорівнює площа поперечного перерізу другої фігури?
0%
0%
0%
0%
0%
0%
0%
0%
View this question
Умова міцності деталі, що працює на розтяг, має вигляд:
0%
0%
0%
0%
View this question
На яких ділянках епюри N для даного стержня будуть прямі паралельні базі епюри?

0%
100%
0%
0%
View this question

Want instant access to all verified answers on op.tsatu.edu.ua?

Get Unlimited Answers To Exam Questions - Install Crowdly Extension Now!

Browser

Add to Chrome