logo

Crowdly

Browser

Add to Chrome

Інженерна механіка (ММК)

Looking for Інженерна механіка (ММК) test answers and solutions? Browse our comprehensive collection of verified answers for Інженерна механіка (ММК) at op.tsatu.edu.ua.

Get instant access to accurate answers and detailed explanations for your course questions. Our community-driven platform helps students succeed!

У скільки разів збільшиться згинальний момент Мх, якщо F и l подвоїти?

0%
0%
0%
View this question
Вказати правильний вираз закону Гука при дії нормальних напружень (розтяг-стиск)?
0%
0%
0%
0%
View this question
У яких перетинах даного стержня на епюрі внутрішньої сили N будуть скачки?

0%
0%
0%
0%
View this question
Що таке границя пружності матеріалу?
0%
0%
0%
0%
View this question
Задано стержень круглого поперечного перерізу.

На яку кількість ділянок треба поділити даний стержень для побудови епюри N?
0%
0%
0%
0%
View this question
Задано ступінчастий стержень круглого поперечного перерізу з побудованою епюрою внутрішньої поздовжньої сили N.

Площа поперечного перерізу на ділянках ВС і ЕН стержня дорівнює А=200мм2, а на ділянках CD і DE дорівнює А = 400мм2. Матеріал стержня – Ст3, допустимі напруження матеріалу [σ] = 160МПа, а модуль пружності першого роду Е=2∙105МПа. Чому дорівнює мінімальне напруження, що виникає в перерізах даного стержня?
0%
0%
0%
100%
View this question
Умова міцності при розтягу-стиску звучить так:
0%
0%
0%
0%
View this question
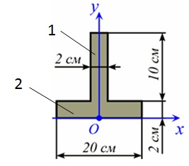
Задано складний перетин, що складається з двох прямокутників. Позначимо верхній прямокутник №1, а нижній №2.

Чому дорівнює площа поперечного перерізу першої фігури?
0%
0%
0%
0%
0%
0%
0%
0%
View this question
Здатність конструкції під впливом деформації зберігати первинні форму і розміри називається:
0%
0%
0%
0%
View this question
Метою перевірочного розрахунку деталі є:
0%
0%
0%
0%
View this question

Want instant access to all verified answers on op.tsatu.edu.ua?

Get Unlimited Answers To Exam Questions - Install Crowdly Extension Now!

Browser

Add to Chrome