logo

Crowdly

Browser

Add to Chrome

Технології обслуговування та ремонту електрообладнання і засобів автоматизації

Looking for Технології обслуговування та ремонту електрообладнання і засобів автоматизації test answers and solutions? Browse our comprehensive collection of verified answers for Технології обслуговування та ремонту електрообладнання і засобів автоматизації at op.tsatu.edu.ua.

Get instant access to accurate answers and detailed explanations for your course questions. Our community-driven platform helps students succeed!

Поточний ремонт (ПР) - це
0%
0%
0%
0%
View this question
Система ППР і ТО - це
0%
0%
0%
View this question
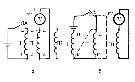
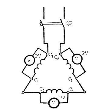
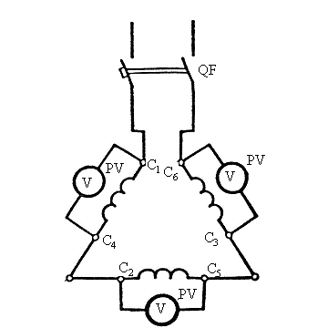
Схема, що приведена на рисунку, використовується для
0%
0%
0%
0%
View this question
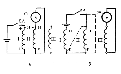
Схема, що приведена на рисунку, використовується для
0%
0%
0%
0%
View this question
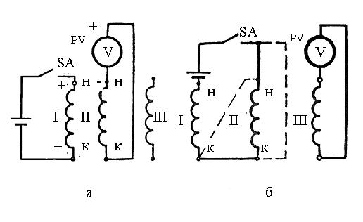
Схема, що приведена на рисунку, використовується для
0%
0%
0%
100%
View this question
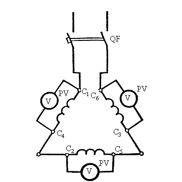
Схема, що приведена на рисунку, використовується для
0%
0%
0%
0%
View this question
Схема, що приведена на рисунку, використовується для
0%
0%
0%
100%
View this question
Схема, що приведена на рисунку, використовується для
0%
0%
0%
0%
View this question
Схема, що приведена на рисунку, використовується для
0%
0%
0%
0%
View this question
Схема, що приведена на рисунку, використовується для
0%
0%
0%
0%
View this question

Want instant access to all verified answers on op.tsatu.edu.ua?

Get Unlimited Answers To Exam Questions - Install Crowdly Extension Now!

Browser

Add to Chrome