logo

Crowdly

Browser

Add to Chrome

Physique de l'électricité appliquée aux systèmes

Looking for Physique de l'électricité appliquée aux systèmes test answers and solutions? Browse our comprehensive collection of verified answers for Physique de l'électricité appliquée aux systèmes at openschool.estaca.fr.

Get instant access to accurate answers and detailed explanations for your course questions. Our community-driven platform helps students succeed!

Les tensions d'entrée et sortie d'un montage à AOP (ou ALI), considéré idéal, ont la forme suivante :

Le montage est composé d'une résistance R2 de 5,2 kΩ et d'une résistance R1 dont vous calculerez la valeur avec trois chiffres significatifs en kilo-ohms pour correspondre à la courbe ci-dessus :

View this question

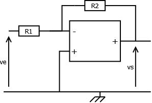
On considère le montage suivant :

Avec R1 = 2,5 kΩ et R2 = 19 kΩ

Calculez la valeur du gain

View this question

Il est considéré un filtre actif passe-bas du premier ordre, de gain en basse fréquence 6,6 dB et de fréquence de cassure 50 kHz.

Calculez le rapport des valeurs efficaces de sortie sur entrée , en décibels avec 3 chiffres significatifs, lorsque le signal d'entrée est sinusoïdal de fréquence 10 Hz :

View this question

Il est considéré un filtre actif passe-bas du premier ordre, de gain en basse fréquence 2,7 dB et de fréquence de cassure 200 Hz.

Calculez le rapport des valeurs efficaces de sortie sur entrée , en décibels avec 3 chiffres significatifs, lorsque le signal d'entrée est sinusoïdal de fréquence 2 kHz :

View this question

Il est supposé un filtre passe-bas passif de la forme suivante :

Avec la pulsation de cassure ωc = 3 rad.s-1

Quel est la valeur en dB que l'on peut lire sur la courbe de gain à la pulsation ω = 94 rad.s-1 ?

View this question

Un circuit RC de filtre passif a pour expression de transmittance complexe :

Avec :

- la résistance R = 8,8 kΩ

- la capacité C = 9,9 µF

Calculez la pulsation en rad.s-1 à laquelle le gain en décibel de T(jω) vaut -3 dB :

View this question

On considère une transmittance entre deux tensions en entrées et en sorties tel que :

A la pulsation du signal sinusoïdal alternatif d'entrée ve(t), le gain de T(jω) vaut 1,2 décibels.

Calculez, en volts, la valeur efficace Vs du signal sinusoïdal alternatif en sortie sachant que celle d'entrée Ve vaut 7,6 V :

View this question

On considère deux montages en cascade de transmittance T1 et T2 :

Avec ω1 = 10,2 rad.s-1 et ω2 = 253 rad.s-1

 K1 = 7,9 et K2 = 7,7 (sans unité)

Calculer le gain en basse fréquence Ks de l'ensemble du montage en décibels.

View this question

Calculer (en %), avec trois chiffres significatifs, le taux d'ondulation d'un signal de valeur efficace 10,9 et de valeur moyenne 8,3 :

View this question

Calculer (en %), avec trois chiffres significatifs, le taux d'ondulation d'un signal de valeur efficace 12,1 et de valeur moyenne 8,9 :

View this question

Want instant access to all verified answers on openschool.estaca.fr?

Get Unlimited Answers To Exam Questions - Install Crowdly Extension Now!

Browser

Add to Chrome