logo

Crowdly

Browser

Add to Chrome

Physics (bio) / Fisika (bio) - 154

Looking for Physics (bio) / Fisika (bio) - 154 test answers and solutions? Browse our comprehensive collection of verified answers for Physics (bio) / Fisika (bio) - 154 at stemlearn.sun.ac.za.

Get instant access to accurate answers and detailed explanations for your course questions. Our community-driven platform helps students succeed!

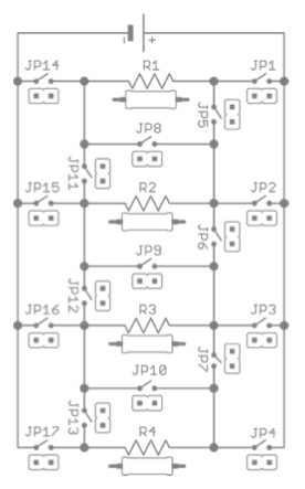
Figure / Figuur 1

Choose the correct combination of switches from the table below, which will connect R subscript 1, R subscript 2 , R subscript 3  and  R subscript 4 in parallel.

Kies die korrekte kombinasie van skakelaars, vanuit die tabel hieronder, wat R subscript 1 , R subscript 2 ,  R subscript 3 en R subscript 4  in parallel sal skakel.

0%
100%
0%
0%
0%
View this question

We have three resistors of values 2 Ω, 3 Ω and 6 Ω. Choose the correct combination, from the list below, which give an effective resistance of 4 Ω. 

Gestel jy het die weerstande met waardes 2 Ω, 3 Ω en 6 Ω. Kies die korrekte kombinasie, vanuit die lys hieronder, wat ’n effektiewe weerstand van 4 Ω sal gee.

0%
100%
0%
0%
0%
View this question

Suppose you have two resistors. When they are connected in series, the effective resistance must be 4.5 Ω. When they are connected in parallel, the effective resistance must be 1 Ω. Choose the correct combination, from the list below, for these two resistors.

Veronderstel jy het twee weerstande. Indien hull in serie geskakel word moet die effektiewe weerstand gelyk wees aan 4.5 Ω. Indien hulle in parallel geskakel word, moet die effektiewe weerstand gelyk wees aan 1 Ω. Kies die korrekte kombinasie van weerstande, vanuit die lys hieronder.

100%
0%
0%
0%
0%
View this question

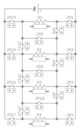
Figure / Figuur 1

Choose the correct combination of switches, from the table below, which will connect  R subscript 1 and R subscript 3  in series.

Kies die korrekte kombinase van skakelaars, van die tabel hieronder, wat  R subscript 1 en  R subscript 3 in serie sal skakel.

0%
100%
0%
0%
0%
View this question

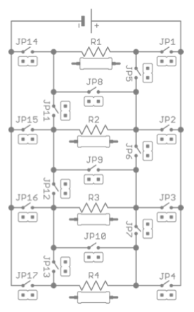
Figure / Figuur 1

Choose the correct combination of switches from the table below, which will connect  R subscript 1,  R subscript 2 and R subscript 3  in parallel.

Kies die korrekte kombinase van skakelaars, vanuit die lys hieronder, wat R subscript 1 , R subscript 2  en R subscript 3  in parallel sal skakel.

0%
0%
0%
0%
0%
View this question

The magnitude of the magnetic field 2 m away from a long straight wire carrying a current of 2 A is:

Die grootte van die magnetieseveld op ’n afstand van 2 m van ’n lang reguit geleier met ’n stroom van 2 A is:

0%
0%
0%
0%
0%
View this question

Figure / Figuur 1

Consider the figure below. The conductors are perpendicular and carry equal currents. Choose the correct statement from the list below.

Beskou die figuur hieronder. Die geleiers is loodreg op mekaar en beide se strome is dieselfde grootte. Kies die korrekte stelling van die lys hieronder.

View this question

Consider a neuron in which only one type of ion is present. Suppose the valence of this ion is z . The intra-cellular concentration is C to the power of i  and the extra-cellular concentration is C to the power of o . Choose the correct option from the list below. ( V is the equilibrium membrane potential).

Beskou ’n neuron waarin slegs een tipe ioon teenwordig is. Veronderstel die valensie daarvan is z . Die intra-sellulêre konsentrasie is C to the power of i  en die ekstra-sellulêre konsentrasie is C to the power of o . Kies die korreksie moontlikheid vanuit die lys hieronder ( V is die ekwilibrium membraan potensiaal).

0%
0%
0%
0%
0%
View this question

Consider a neuron in which only potassium and chlorine ions are present in the cellular fluid. The concentrations for potassium are C subscript K superscript i space equals space 140 mM and C subscript K superscript o space equals space 5.00  mM. The concentrations for chlorine are C subscript C l end subscript superscript i space equals space 4.00  mM and  C subscript C l end subscript superscript o space equals space 110 mM. The valence (ion charge) of potassium and chlorine ions is +1 and -1, respectively. Assume that the effective resistances for the potassium and chlorine channels are 13.0 MΩ and 5.00 MΩ, respectively. Calculate the equilibrium membrane potential for this neuron.

Beskou ’n neuron waarin daar slegs kalium en chloor ione teenwoordig is in die sellulêre vloeistof. Die konsentrasies vir kalium is C subscript K superscript i space equals space 140  mM en  C subscript K superscript o space equals space 5.00 mM. Die konsentrasies vir chloor is C subscript C l end subscript superscript i space equals space 4.00  mM en  C subscript C l end subscript superscript o space equals space 110 mM. Die valensie (ioon-lading) van kalium en chloor ione is +1 en -1, respektiewelik. Aanvaar dat die effektiewe weerstand van die kalium en chloor kanale is 13.0 MΩ en 5.00 MΩ, respektiewelik. Bereken die ekwilibrium membraan potensiaal vir hierdie neuron.

0%
0%
0%
0%
0%
View this question

Consider a neuron with only sodium ions present in the cellular fluid. The concentration of sodium ions is smaller inside the cell than outside. The equilibrium ion potential comes about since

Beskou ʼn neuron waar slegs natrium ione teenwoordig is in die sellulêre vloeistof. Die konsentrasie van natrium ione is kleiner binne die sel as buite. Die ekwilibrium ioon-potensiaal word bewerkstellig wanneer 

0%
0%
0%
0%
0%
View this question

Want instant access to all verified answers on stemlearn.sun.ac.za?

Get Unlimited Answers To Exam Questions - Install Crowdly Extension Now!

Browser

Add to Chrome