Looking for Electro-techniques / Elektrotegniek - 214 test answers and solutions? Browse our comprehensive collection of verified answers for Electro-techniques / Elektrotegniek - 214 at stemlearn.sun.ac.za.
Get instant access to accurate answers and detailed explanations for your course questions. Our community-driven platform helps students succeed!
Given the figure below, is the following statement true or false? Gegee die figuur hieronder, is die volgende stelling waar ("True") of onwaar ("False")?
The power factor is lagging. Die arbeidsfaktor is nalopend.
In the circuit shown below a load RL is connected across the terminals. Find the maximum power PL [W] that the circuit can deliver to the load given that RL is purely resistive, Zt = 13 + j5 Ω and Vt,rms = 75∠0° V.
In die stroombaan hieronder, word 'n las RL oor die terminale gekonnekteer. Vind die maksimum drywing PL [W] wat die stroombaan aan die las kan lewer, gegee dat RL is suiwer weerstandslas ("purely resistive"), Zt = 13 + j5 Ω en Vt,rms = 75∠0° V.
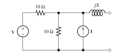
For the circuit shown below, find the magnitude of the Thévenin equivalent impedance |Zt| and the magnitude of the Thévenin voltage |Vt| respectively, given that X = 4 Ω, I = 2.5∠0° A and V = 12∠0° V.
Vir die stroombaan hieronder, bepaal die grootte van die Thévenin-ekwivalente impedansie |Zt| en die grootte van die Thévenin-spanning |Vt|, gegee dat X = 4 Ω, I = 2.5∠0° A en V = 12∠0° V.
A 7.5-kV-rms voltage source operating at 60 Hz delivers 107 + j102 kVA to a load. Calculate the capacitance [μF] that must be placed in parallel with the load to achieve a 99 % lagging power factor.
'n 7.5 kV-wgk spanningsbron, wat teen 60 Hz dryf, lewer 107 + j102 kVA na 'n las. Bereken die kapasitansie [μF] wat in parallel met die las geplaas word om 'n 99 % nalopende arbeidsfaktor te bereik.
Determine Vrms (V) for the given signal, with a=1.5. / Bepaal Vwgk (V) vir die gegewe sein, met a=1.5.