logo

Crowdly

Browser

Add to Chrome

271 Річковий та морський транспорт ОС - ФМБ

Looking for 271 Річковий та морський транспорт ОС - ФМБ test answers and solutions? Browse our comprehensive collection of verified answers for 271 Річковий та морський транспорт ОС - ФМБ at train.edki.gov.ua.

Get instant access to accurate answers and detailed explanations for your course questions. Our community-driven platform helps students succeed!

На рисунку зображено принцип дії базової холодильної системи, яка працює за циклом Карно. Який процес відбувається в лінії між випарником (Evaporator) та компресором (Compressor)?

1

0%
0%
0%
View this question

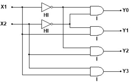
Який функціональний вузол реалізується схемою на рисунку?

1

View this question

Структурну схему якого пристрою наведено на рисунку?

1

View this question

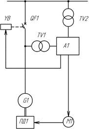
Яке призначення контакту QS в схемі та його положення під час роботи генератора?

1

View this question

Які мають бути порівняльні тиски гідравлічного мастила в магістралях Р1, Р2, Р3 і положення керуючих штоків 1S1 і 1S2 для того, щоб поршень циліндра 1А пересунувся вправо?

1

View this question

Для живлення стаціонарної апаратури глобальної системи зв’язку лиха та безпеки (GMDSS) можна використовувати головний дизельний генератор, аварійний дизельний генератор (АДГ) або резервне джерело подібно до акумуляторних батарей. Як здійснюватиметься живлення у разі відключення головного дизельного генератора?

1

View this question

Як довго потрібно утримувати кнопку «старт», щоб дзвінок почав працювати?

1

View this question

За допомогою яких схем підключення вимірювальних приладів можна виміряти потужність резистора R1?

1

View this question

Як довго потрібно утримувати кнопку «старт», щоб дзвінок почав працювати?

1

0%
0%
0%
View this question

Яке призначення контакту QS в схемі та його положення під час роботи генератора?

1

0%
0%
0%
View this question

Want instant access to all verified answers on train.edki.gov.ua?

Get Unlimited Answers To Exam Questions - Install Crowdly Extension Now!

Browser

Add to Chrome