logo

Crowdly

Browser

Add to Chrome

Спеціальні розділи електромеханотроніки [04557]

Looking for Спеціальні розділи електромеханотроніки [04557] test answers and solutions? Browse our comprehensive collection of verified answers for Спеціальні розділи електромеханотроніки [04557] at vns.lpnu.ua.

Get instant access to accurate answers and detailed explanations for your course questions. Our community-driven platform helps students succeed!

Надперехідний процес швидкого загасання струму

статора СГ при короткому замиканні відповідає

0%
0%
0%
View this question
ЕРС індукції зовнішнього поля комутованої секції
0%
0%
0%
0%
View this question
Поле сьомої гармоніки при пуску обертовий момент АД
0%
0%
View this question
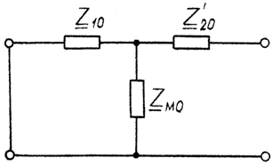
Заступна схема трансформатора для струмів нульової послідовності при сполученні обмоток за схемою У/Ун
View this question

При короткому замиканні

осердя трансформатора

0%
0%
0%
View this question

У

трансформаторів однакової потужності з більшим R

k

тривалість

перехідного процесу при раптовому короткому замиканні є

0%
0%
0%
View this question

Тривалість електромагнітних перехідних процесів у великих ЕМ порівняно з малими ЕМ є

0%
0%
0%
View this question


Перехідний процес

увімкнення реактивної котушки з постійними параметрами на синусоїдну напругу

відповідає перехідному процесу


0%
0%
0%
View this question
Сьома гармоніка поля обертається відносно основного поля
0%
0%
View this question
При сталій потужності частоту обертання АД слід регулювати при
0%
0%
0%
View this question

Want instant access to all verified answers on vns.lpnu.ua?

Get Unlimited Answers To Exam Questions - Install Crowdly Extension Now!

Browser

Add to Chrome