logo

Crowdly

Browser

Add to Chrome

Електроживлення пристроїв та систем

Looking for Електроживлення пристроїв та систем test answers and solutions? Browse our comprehensive collection of verified answers for Електроживлення пристроїв та систем at vns.lpnu.ua.

Get instant access to accurate answers and detailed explanations for your course questions. Our community-driven platform helps students succeed!

При зміні напруги на вході стабілізатора, на пруга

на його виході змінюється так, як показано на рис:

UBXmin=8

 B;

U

BXmax=13 B; UBИXmin=5 B; UBИXmax=5,1 B

. Визначіть

коефіцієнт стабілізації з точністю до цілих.

View this question

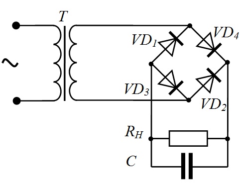
На якому рисунку наведено осцилограму напруги на

навантаженні для цієї схеми при умові, що опір конденсатора співмірний з

опором навантаження?

View this question

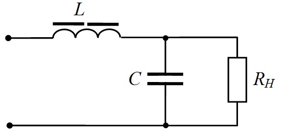
Яким повинно бути співвідношення між номіналами

елементів схеми LC фільтра?

View this question

Який з виразів визначає коефіцієнт фільтрації  RC-фільтра?

0%
0%
0%
0%
View this question

При заданих осцилограмах напруги і струму, який із

способів вимірювання різниці фаз Ви оберете?

0%
0%
0%
0%
View this question

Форма напруги на виході згладжувального фільтра

показана на рисунку. U

max

= 12B;  

U

min = 8B. Розрахуйте коефіцієнт пульсації у відсотках.

0%
0%
0%
0%
View this question

Які гілки даної схеми можуть стати шляхом

проникнення кондуктивної завади для чутливого навантаження?

0%
0%
0%
0%
View this question

На рисунку представлена схема:

0%
0%
0%
0%
0%
View this question

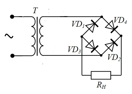
На якому рисунку наведено осцилограму напруги на

навантаженні для цієї схеми при умові, що 1/ωС

<<RH?

0%
0%
0%
0%
0%
View this question

На якому рисунку наведено осцилограму напруги на

навантаженні для цієї схеми?

0%
0%
0%
0%
0%
View this question

Want instant access to all verified answers on vns.lpnu.ua?

Get Unlimited Answers To Exam Questions - Install Crowdly Extension Now!

Browser

Add to Chrome