logo

Crowdly

Browser

Add to Chrome

Електроживлення пристроїв та систем

Looking for Електроживлення пристроїв та систем test answers and solutions? Browse our comprehensive collection of verified answers for Електроживлення пристроїв та систем at vns.lpnu.ua.

Get instant access to accurate answers and detailed explanations for your course questions. Our community-driven platform helps students succeed!

Форма напруги на виході згладжувального фільтра

показана на рисунку. U

max

= 12B;  

U

min = 8B. Розрахуйте коефіцієнт пульсації у відсотках.

0%
0%
0%
100%
0%
View this question

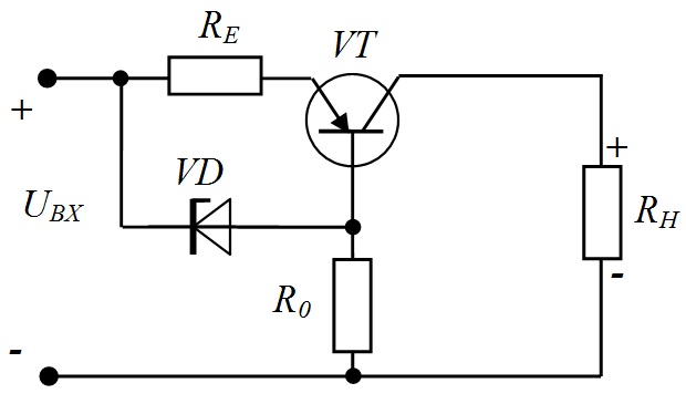
На якому рисунку наведено осцилограму напруги на

навантаженні для цієї схеми при умові, що опір конденсатора співмірний з

опором навантаження?

0%
100%
0%
0%
0%
View this question

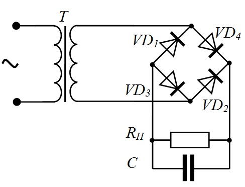
На рисунку представлена схема:

0%
0%
100%
0%
0%
View this question

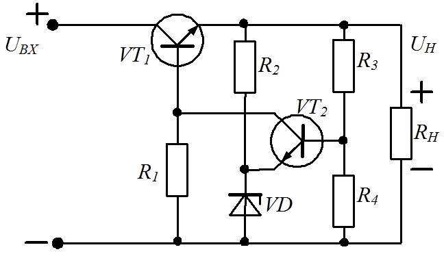
Чому дана схема стабілізатора напруги не буде

працювати?

0%
0%
0%
100%
0%
View this question

Якою буде постійна складова на виході однопівперіодного 

випрямляча з ємнісним фільтром при подачі на нього періодичної

послідовності імпульсів з параметрами:

Um=10 B, T=20 мс, τ=5 мс? Прийняти, що 1/ωC<<RH.

0%
100%
0%
0%
0%
View this question

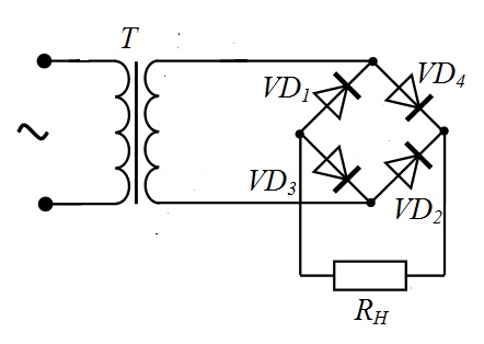
Представлена на рисунку схема дозволяє реалізувати

0%
0%
100%
0%
0%
View this question

На якому рисунку наведено осцилограму напруги на

навантаженні для цієї схеми при умові, що 1/ωС

<<RH?

0%
0%
100%
0%
0%
View this question

На якому рисунку наведено осцилограму напруги на

навантаженні для цієї схеми?

0%
0%
0%
100%
0%
View this question

Які гілки даної схеми можуть стати шляхом

проникнення кондуктивної завади для чутливого навантаження?

100%
0%
0%
0%
0%
View this question

Представлена на рисунку схема дозволяє реалізувати

0%
0%
100%
0%
0%
View this question

Want instant access to all verified answers on vns.lpnu.ua?

Get Unlimited Answers To Exam Questions - Install Crowdly Extension Now!

Browser

Add to Chrome