logo

Crowdly

Browser

Add to Chrome

Електроживлення пристроїв та систем

Looking for Електроживлення пристроїв та систем test answers and solutions? Browse our comprehensive collection of verified answers for Електроживлення пристроїв та систем at vns.lpnu.ua.

Get instant access to accurate answers and detailed explanations for your course questions. Our community-driven platform helps students succeed!

На якому рисунку наведено осцилограму напруги на

навантаженні для цієї схеми при умові, що ω

L>>RH?

0%
0%
0%
0%
100%
View this question

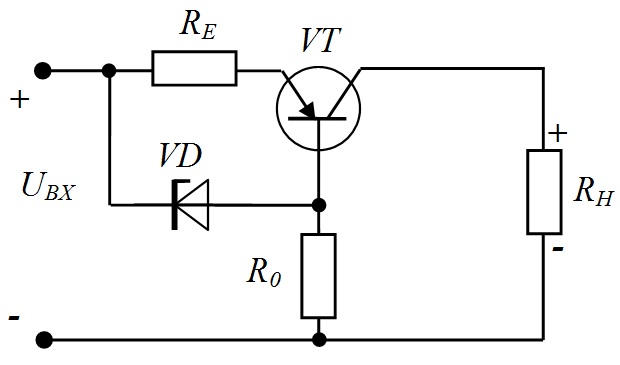
Представлена на рисунку схема дозволяє реалізувати

0%
0%
100%
0%
0%
View this question

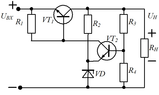
Чому дана схема стабілізатора напруги не буде

працювати?

0%
0%
0%
0%
100%
View this question

Представлена на рисунку схема дозволяє реалізувати

100%
0%
0%
0%
0%
View this question

На рисунку амплітуду гармонічного коливання

позначено буквою:

0%
0%
100%
0%
0%
View this question

Які гілки даної схеми можуть стати шляхом

проникнення кондуктивної завади для чутливого навантаження?

100%
0%
0%
0%
0%
View this question

Який з виразів визначає коефіцієнт фільтрації  RC-фільтра?

0%
100%
0%
0%
0%
View this question

На рисунку представлена схема:

0%
0%
0%
0%
0%
View this question

При заданих осцилограмах напруги і струму, який із

способів вимірювання різниці фаз Ви оберете?

0%
0%
0%
0%
0%
View this question

Представлена на рисунку схема дозволяє реалізувати

0%
0%
0%
0%
0%
View this question

Want instant access to all verified answers on vns.lpnu.ua?

Get Unlimited Answers To Exam Questions - Install Crowdly Extension Now!

Browser

Add to Chrome