logo

Crowdly

Browser

Add to Chrome

Електроживлення пристроїв та систем

Looking for Електроживлення пристроїв та систем test answers and solutions? Browse our comprehensive collection of verified answers for Електроживлення пристроїв та систем at vns.lpnu.ua.

Get instant access to accurate answers and detailed explanations for your course questions. Our community-driven platform helps students succeed!

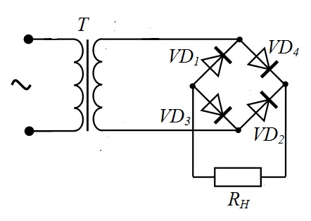
На якому рисунку наведено осцилограму напруги на

навантаженні для цієї схеми при умові, що ω

L>>RH?

0%
100%
0%
0%
0%
View this question

На якому рисунку наведено осцилограму напруги на

навантаженні для цієї схеми?

0%
0%
100%
0%
0%
View this question

Який з наведених пристроїв не відноситься до джерел

вторинного електроживлення?

View this question

Коефіцієнт потужності це відношення

View this question

За яким виразом розраховують баластний опір

параметричного стабілізатора на стабілітроні?

View this question

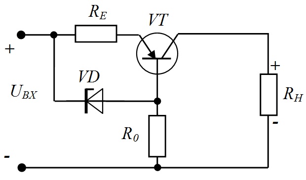
На рисунку представлена схема:

0%
0%
0%
0%
100%
View this question

Якою буде постійна складова на виході однопівперіодного 

випрямляча з ємнісним фільтром при подачі на нього періодичної

послідовності імпульсів з параметрами:

Um=10 B, T=20 мс, τ=5 мс? Прийняти, що 1/ωC<<RH.

100%
0%
0%
0%
0%
View this question

Внутрішній опір r

джерела електричної енергії з електрорушійною

силою

Е при відомих параметрах навантаження (RH, UH, IH) можна визначити так:

View this question

Прямий спад напруги на діоді мало залежить від струму, що протікає через нього

100%
0%
View this question

Ємнісний фільтр доцільно застосовувати при великих струмах через навантаження

0%
100%
View this question

Want instant access to all verified answers on vns.lpnu.ua?

Get Unlimited Answers To Exam Questions - Install Crowdly Extension Now!

Browser

Add to Chrome