logo

Crowdly

Browser

Add to Chrome

Електроживлення пристроїв та систем

Looking for Електроживлення пристроїв та систем test answers and solutions? Browse our comprehensive collection of verified answers for Електроживлення пристроїв та систем at vns.lpnu.ua.

Get instant access to accurate answers and detailed explanations for your course questions. Our community-driven platform helps students succeed!

Залежність потужності в навантаженні від відношення

RH/r зображена під номером

0%
50%
50%
0%
0%
View this question

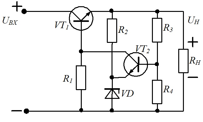
На рисунку представлена схема:

0%
0%
0%
0%
100%
View this question

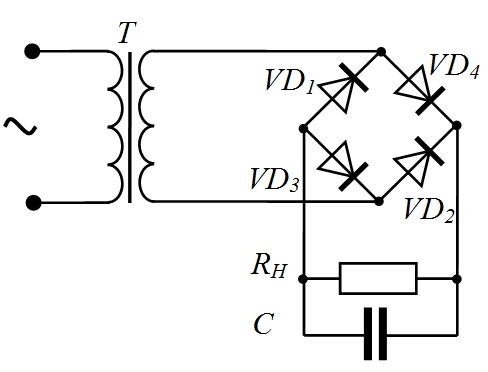
Який з виразів визначає коефіцієнт фільтрації  RC-фільтра?

100%
0%
0%
0%
0%
View this question

На якому рисунку наведено осцилограму напруги на

навантаженні для цієї схеми при умові, що 1/ωС

<<RH?

0%
0%
100%
0%
0%
View this question

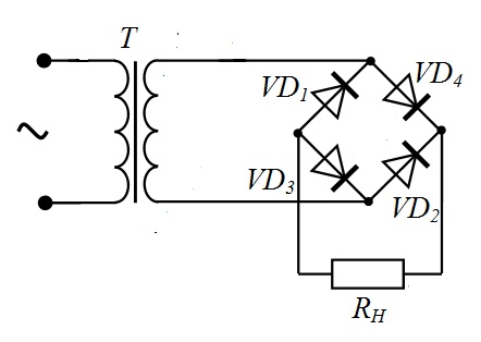
Які гілки даної схеми можуть стати шляхом

проникнення кондуктивної завади для чутливого навантаження?

50%
0%
0%
0%
50%
View this question

На якому рисунку наведено осцилограму напруги на

навантаженні для цієї схеми?

0%
0%
50%
50%
0%
View this question

Чому дана схема стабілізатора напруги не буде

працювати?

View this question

Визначіть коефіцієнт стабілізації параметричного стабілізатора  напруги з точністю до цілих чисел.   Вхідна напруга Ubx=9В,  Напруга стабілізації Ucт=5B, баластний опір  R0=300.  ВАХ стабілітрона представлена на рисунку. 

При розрахунку струм визначати з точністю до одного міліампера, опір до одного ома, напругу до однієї десятої вольта.  

View this question

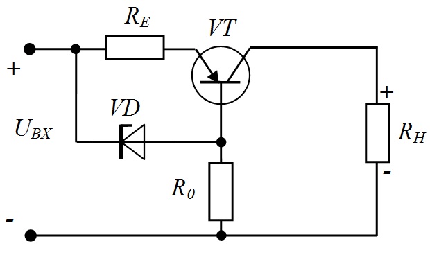
Представлена на рисунку схема дозволяє реалізувати

0%
0%
0%
0%
View this question

Залежність потужності в навантаженні від відношення

RH/r зображена під номером

View this question

Want instant access to all verified answers on vns.lpnu.ua?

Get Unlimited Answers To Exam Questions - Install Crowdly Extension Now!

Browser

Add to Chrome