logo

Crowdly

Browser

Add to Chrome

Електроживлення пристроїв та систем

Looking for Електроживлення пристроїв та систем test answers and solutions? Browse our comprehensive collection of verified answers for Електроживлення пристроїв та систем at vns.lpnu.ua.

Get instant access to accurate answers and detailed explanations for your course questions. Our community-driven platform helps students succeed!

При заданих осцилограмах напруги і струму, який із

способів вимірювання різниці фаз Ви оберете?

0%
0%
0%
0%
100%
View this question

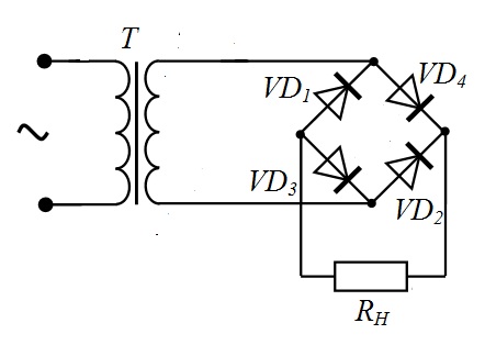
На якому рисунку наведено осцилограму напруги на

навантаженні для цієї схеми?

0%
0%
0%
100%
0%
View this question

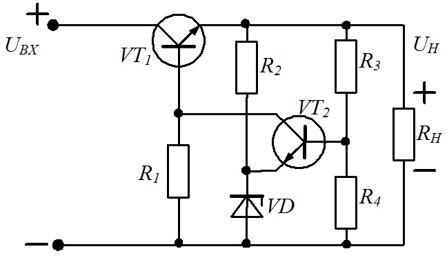
Чому дана схема стабілізатора напруги не буде

працювати?

0%
0%
0%
100%
0%
View this question

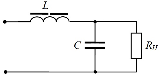
Яким повинно бути співвідношення між номіналами

елементів схеми LC фільтра?

0%
0%
100%
0%
0%
View this question

Форма напруги на виході згладжувального фільтра, який

підключено до виходу однофазного мостового випрямляча представлена на рисунку.

U

0 = 30B;  2Um

=

800 мB. Розрахуйте коефіцієнт згладжування фільтра.

0%
100%
0%
0%
0%
View this question

При зміні напруги на вході стабілізатора, на пруга

на його виході змінюється так, як показано на рис:

UBXmin=8

 B;

U

BXmax=13 B; UBИXmin=5 B; UBИXmax=5,1 B

. Визначіть

коефіцієнт стабілізації з точністю до цілих.

0%
0%
0%
0%
100%
View this question

Чому дана схема стабілізатора напруги не буде

працювати?

0%
0%
0%
0%
100%
View this question

На якому рисунку наведено осцилограму напруги на

навантаженні для цієї схеми при умові, що ω

L>>RH?

0%
0%
0%
0%
100%
View this question

Представлена на рисунку схема дозволяє реалізувати

0%
0%
100%
0%
0%
View this question

На рисунку амплітуду гармонічного коливання

позначено буквою:

0%
0%
0%
100%
0%
View this question

Want instant access to all verified answers on vns.lpnu.ua?

Get Unlimited Answers To Exam Questions - Install Crowdly Extension Now!

Browser

Add to Chrome