logo

Crowdly

Browser

Add to Chrome

Автоматизація технологічних процесів [05346]

Looking for Автоматизація технологічних процесів [05346] test answers and solutions? Browse our comprehensive collection of verified answers for Автоматизація технологічних процесів [05346] at vns.lpnu.ua.

Get instant access to accurate answers and detailed explanations for your course questions. Our community-driven platform helps students succeed!

На приведеній нижче схемі

автоматизації зображено:

View this question

На приведеній

нижче схемі автоматизації зображено:

0%
0%
0%
View this question

На приведеній нижче схемі

автоматизації зображено:

View this question

На приведеній нижче схемі

автоматизації зображено:

0%
0%
0%
0%
View this question

На приведеній нижче схемі

автоматизації зображено:

0%
0%
0%
0%
0%
View this question

На приведеній нижче схемі

автоматизації зображено:

0%
0%
0%
0%
0%
View this question

На приведеній нижче схемі

автоматизації зображено:

0%
0%
0%
0%
0%
View this question

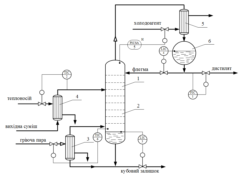
На приведеній нижче схемі

автоматизації зображено систему автоматизації

верху тарілчастої ректифікаційної колони з:

View this question

Для яких умов роботи теплообмінника змішування

доцільно використати дану схему:

0%
0%
0%
0%
View this question

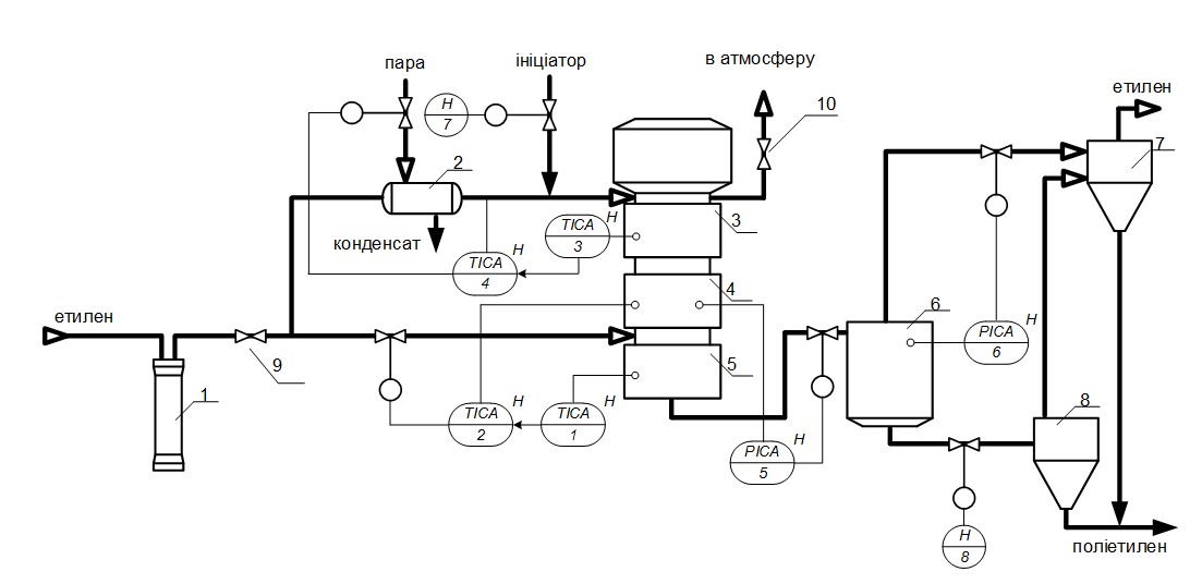
На рис. приведеному

нижче зображено:

1

0%
0%
0%
0%
0%
View this question

Want instant access to all verified answers on vns.lpnu.ua?

Get Unlimited Answers To Exam Questions - Install Crowdly Extension Now!

Browser

Add to Chrome