logo

Crowdly

Browser

Add to Chrome

Будівельна механіка [02571]

Looking for Будівельна механіка [02571] test answers and solutions? Browse our comprehensive collection of verified answers for Будівельна механіка [02571] at vns.lpnu.ua.

Get instant access to accurate answers and detailed explanations for your course questions. Our community-driven platform helps students succeed!

ро

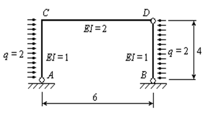
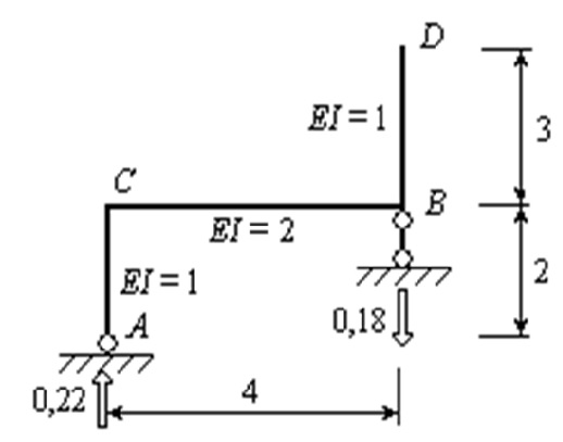
Чому вертикальне зміщення точки С від зсуву опор? (додатнім вважати зміщення вниз)

1. 0,2; 

2. -0,35;

3. -0,45;

4. 1,5;

5. 0,18.

0%
0%
0%
0%
0%
View this question

ро

Чому дорівнює горизонтальне зміщення перерізу С ? (додатнім вважати зміщення вправо)

1. 101; 

2. 25;

3. -216;

4. -120;

5. -648.

View this question

ро

Чому дорівнює вертикальне переміщення точки С (додатнім вважати переміщення вниз)?

1. 100; 

2. 0;

3. 305,5;

4. 202,7;

5. -158,6.

0%
0%
0%
0%
0%
View this question

ро

Чому дорівнює зміщення точки С у горизонтальному напрямі? (додатнім вважати зміщення вправо)

1. 10,7; 

2. 8,5;

3. 15,8;

4. -10,1;

5. 21,3.

View this question

ро

Чому горизонтальне зміщення тоски В від зсуву опор? (додатнім вважати зміщення вправо)

1. 0,2; 

2. 1,25;

3. -0,4;

4. 2,5;

5. 0,18.

View this question

ро

Чому горизонтальне зміщення тоски С від зсуву опор? (додатнім вважати зміщення вправо)

1. 0,2; 

2. 0;

3. -0,4;

4. 0,22;

5. 0,18.

View this question

ро

Чому дорівнює наближення точок С і D від зсуву опор?

1. 16; 

2. 0;

3. -20;

4. 20;

5. -14.

View this question

 

рис5

Чому дорівнює добуток представлених на рис. епюр?

View this question

 одиничний стан

Чому дорівнює наближення точок С і D від зсуву опор?

View this question

 

рис5

Чому дорівнює добуток представлених на рис. епюр?

0%
0%
0%
0%
0%
View this question

Want instant access to all verified answers on vns.lpnu.ua?

Get Unlimited Answers To Exam Questions - Install Crowdly Extension Now!

Browser

Add to Chrome