logo

Crowdly

Browser

Add to Chrome

Будівельна механіка [02571]

Looking for Будівельна механіка [02571] test answers and solutions? Browse our comprehensive collection of verified answers for Будівельна механіка [02571] at vns.lpnu.ua.

Get instant access to accurate answers and detailed explanations for your course questions. Our community-driven platform helps students succeed!

Якому співвідношенню задовольняє число простих шарнірів та опорних стержневих в’язей у статично визначеній багатопрогінній шарнірній балці ?

1) Ш=Соп-3;    2) Ш=2Соп -3 .;   3) Ш=3-Соп ;  4) Ш=3+Соп ;  5) Ш=3*Соп

де Ш - кількість простих шарнірів, які з’єднюють між собою диски;  Соп - кількість опорних стержневих в’язей.

View this question

Яке співвідношення між кількістю основних та підвісних балок повинно бути в  багатопролітній  шарнірній балці?

1) кількість основних балок рівна кількості підвісних;

2) основних балок на 3 більше ніж підвісних;

3) основних балок в два рази більше ніж підвісних;

4) основних балок на одну більше ніж підвісних;

5) основних балок на одну менше ніж підвісних.

View this question

ро

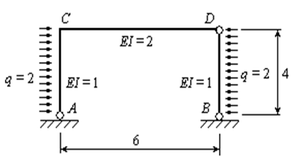
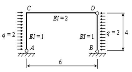
Чому дорівнює зміщення точки С у горизонтальному напрямі? (додатнім вважати зміщення вправо)

1. 10,7; 

2. 8,5;

3. 15,8;

4. -10,1;

5. 21,3.

0%
0%
0%
0%
0%
View this question

ро

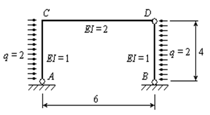
Чому дорівнює вертикальне переміщення точки С (додатнім вважати переміщення вниз)?

1. 100; 

2. 0;

3. 305,5;

4. 202,7;

5. -158,6.

View this question

ро

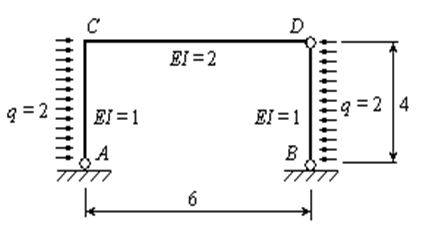
Чому дорівнює горизонтальне зміщення перерізу С ? (додатнім вважати зміщення вправо)

1. 101; 

2. 25;

3. -216;

4. -120;

5. -648.

View this question

ро

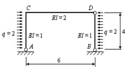
Чому дорівнює кут повороту перерізу біля точки С? (додатнім вважати поворот за напрямом руху годинникової стрілки)

1. 101; 

2. 25;

3. -216;

4. -120;

5. 36.

0%
0%
0%
0%
0%
View this question

ро

Чому дорівнює кут повороту перерізу ригеля біля шарніру С? (додатнім вважати поворот за напрямом руху годинникової стрілки)

1. 10,7; 

2. 3,5;

3. 0;

4. -10,1;

5. -5.

View this question

ро

Чому дорівнює кут повороту перерізу ригеля біля шарніру D? (додатнім вважати поворот за напрямом руху годинникової стрілки)

1. 10,7; 

2. 3,5;

3. 0;

4. -10,1;

5. -5.

View this question

ро

Чому дорівнює кут повороту перерізу стояка біля шарніру D? (додатнім вважати поворот за напрямом руху годинникової стрілки)

1. 10,7; 

2. 3,5;

3. 0;

4. -10,1;

5. -5.

0%
0%
0%
0%
0%
View this question

ро

Чому кут повороту перерізу біля шарніру В? (додатнім вважати поворот за напрямом руху годинникової стрілки)

1. 10,7; 

2. 8,5;

3. 0;

4. -10,1;

5. -5.

0%
0%
0%
0%
0%
View this question

Want instant access to all verified answers on vns.lpnu.ua?

Get Unlimited Answers To Exam Questions - Install Crowdly Extension Now!

Browser

Add to Chrome