Looking for Теорія машин і механізмів [02091] test answers and solutions? Browse our comprehensive collection of verified answers for Теорія машин і механізмів [02091] at vns.lpnu.ua.
Get instant access to accurate answers and detailed explanations for your course questions. Our community-driven platform helps students succeed!
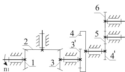
Для заданого зубчастого механізму дано: z1=21; z2=63; z21=15; z3=30;
z31=15; z4=60; m=8 мм; ω1=285 рад/c. Завдання визначити в мм:
міжосьову відстань a213
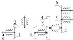
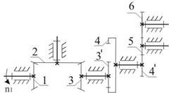
Для заданого зубчастого механізму дано: z1=16; z2=48; z21=20; z3=40;
z31=13; z4=26; m=8мм; n1= 600 об/хв. Завдання визначити в мм:
діаметр кола вершин da1
Для заданого зубчастого механізму дано: z1=16; z2=48; z21=20; z3=40;
z31=13; z4=26; m=8мм; n1= 600 об/хв. Завдання визначити в мм:
діаметр кола западин df2
Для заданого зубчастого механізму дано: z1=17; z2=34; z3=34; z31=17;
z4=102; z41=17; z5=17; z6=85; m=6мм; n1=180 об/хв. Визначити:
кутову швидкість колеса- 6 в рад/c
Для заданого зубчастого механізму дано: z1=17; z2=34; z3=34; z31=17;
z4=102; z41=17; z5=17; z6=85; m=6мм; n1=180 об/хв. Визначити:
передавальне відношення i16 редуктора
Для заданого зубчастого механізму дано: z1=21; z2=63; z21=15; z3=30;
z31=15; z4=60; m=8 мм; ω1=285 рад/c. Завдання визначити в мм:
висоту зуба колеса 3-h3
Для визначення радіуса якого кола колеса (х=0) є правильною формула ?
Для заданого зубчастого механізму дано: z1=21; z2=63; z21=15; z3=30;
z31=15; z4=60; m=8 мм; ω1=285 рад/c.
Завдання визначити:
діаметр кола виступів 4 колеса
Для заданого зубчастого механізму дано: z1=16; z2=48; z21=20; z3=40;
z31=13; z4=26; m=8мм; n1= 600 об/хв. Завдання визначити в мм: діаметр ділильного кола колеса 1
Для заданого зубчастого механізму дано: z1=17; z2=34; z3=34; z31=17; z4=102;z41=17; z5=17; z6=85; m=6мм; n1=180 об/хв.
Завдання визначити в мм: діаметр кола западин df4,