logo

Crowdly

Browser

Add to Chrome

Мікропроцесорні системи [04260]

Looking for Мікропроцесорні системи [04260] test answers and solutions? Browse our comprehensive collection of verified answers for Мікропроцесорні системи [04260] at vns.lpnu.ua.

Get instant access to accurate answers and detailed explanations for your course questions. Our community-driven platform helps students succeed!

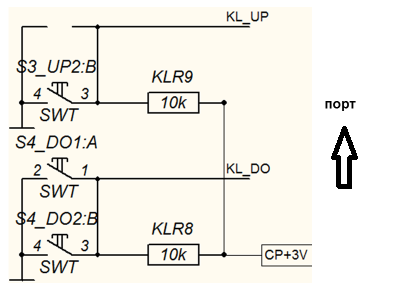
Зображена на малюнку структура призначена для пояснення функціонування вузла:

View this question

Для

зображеного на малюнку «порт» підключення ліній

«KL_UP”, «KL_DO

має

буди ініціалізований так:

View this question

В функцію виводу на дисплей з послідовним інтерфейсом

замість ****************

вставити правильний оператор:

void LCD_SendData(u8 data)

 {

  TFT_DC_SET;

 

TFT_CS_RESET;

 

***************

  TFT_CS_SET;

}

View this question

Для зображеного на малюнку «порт» підключення ліній «CP_SD1”, «CP_SD2має буди ініціалізований так:

View this question

На малюнку

зображено часову діаграму :

View this question

Зображений на малюнку вузол призначений для:

View this question

Вузол І2С  мікропроцесора це:

View this question

На малюнку зображено :

View this question

На

малюнку зображено :

вузол магістралі адресу

View this question

На

малюнку зображено :

вузол магістралі даних

View this question

Want instant access to all verified answers on vns.lpnu.ua?

Get Unlimited Answers To Exam Questions - Install Crowdly Extension Now!

Browser

Add to Chrome