logo

Crowdly

Browser

Add to Chrome

Електричні машини [05422]

Looking for Електричні машини [05422] test answers and solutions? Browse our comprehensive collection of verified answers for Електричні машини [05422] at vns.lpnu.ua.

Get instant access to accurate answers and detailed explanations for your course questions. Our community-driven platform helps students succeed!

На підставі

наведеної схеми сполучення обмоток

трансформатор

а визначте номер його групи

сполучення.

View this question

Асинхронний двигун

з фазним ротором, що

має 6 пар(и) полюсів, в паспорті якого вказано 220/380 В, 50 Гц, обертається

з частотою 490 об/хв. Визначте ЕРС у фазі ротора, якщо кількості витків у

фазах статора та ротора та їх обмоткові коефіцієнти однакові, а напруга мережі

становить 380 В. Спадом напруги в колі статора знехтувати.

View this question

Яка з наведених на рисунку робочих

характеристик асинхронного

двигуна відповідає залежності ковзання

від корисної

потужності ?

Введіть її номер без жодних додаткових позначок.

View this question
View this question

Обчисліть ковзання асинхронного

двигун

а в номінальному режимі, якщо він має 6 пар(и) полюсів, живиться від

мережі з частотою 50 Гц, а номінальна частота обертання становить 480 об/хв.

View this question

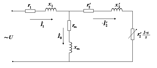
Як на Т-подібній заступній схемі асинхронної машини позначено опір, що враховує

взаємоіндуктивний зв’язок між

статором та ротором

?

Варіанти відповідей:

1) ;      2) ;      3) ;       4) ;       5) ;      6) ;     7)     8) такий опір відсутній на схемі

Ведіть номер відповіді без жодних додаткових позначок.

View this question

Як зміниться струм статора

асинхронного

двигуна

, за переключення його обмотки статора з трикутника на зірку, за умови

сталого номінального навантаження на валі?

0%
0%
0%
View this question
View this question

Позицією з яким номером на рисунку

позначено обмотку збудження

?

View this question

Зображено зовнішні характеристики

двох

трансформаторів, включених на паралельну роботу. Який трансформатор

навантажений більше?

0%
0%
0%
View this question

Want instant access to all verified answers on vns.lpnu.ua?

Get Unlimited Answers To Exam Questions - Install Crowdly Extension Now!

Browser

Add to Chrome