logo

Crowdly

Browser

Add to Chrome

Електричні машини [05422]

Looking for Електричні машини [05422] test answers and solutions? Browse our comprehensive collection of verified answers for Електричні машини [05422] at vns.lpnu.ua.

Get instant access to accurate answers and detailed explanations for your course questions. Our community-driven platform helps students succeed!

З якого матеріалу

виготовляється

ротор турбогенератора?

View this question
View this question

Обчисліть діюче значення ЕРС фази

трифазної обмотки машини змінного струму.

Відомими є:

  • обмотковий коефіцієнт – 0,96;

  • кількість

    пазів – 57;

  • частота зміни магнітного потоку – 50

    Гц;

  • кількість провідників в одному пазу – 100;

  • амплітуда магнітного потоку – 0,014

    Вб; 

  • кількість паралельних гілок у

    фазі – 1.

View this question

Позицією з яким номером на рисунку

позначено

контактні кільця?

View this question

Для асинхронного трифазного двигун

а з короткозамкненим

ротором відомими є:

  • номінальна частота обертання –

    1455 об/хв;

  • напруга мережі – 660 В;

  • частота напруги – 50 Гц;

  • схема сполучення обмотки статора – Y;

  • активний опір обмотки статора– 0,047 Ом;

  • активний опір приведеної обмотки

    ротора –

    0,130 Ом;

  • індуктивний опір розсіювання

    обмотки статора –

    0,22 Ом;

  • індуктивний опір розсіювання

    приведеної обмотки ротора

    0,59 Ом.

Розрахунковий коефіцієнт приведення С1 прийняти рівними одиниці.

Яким буде значення повної механічної потужності цього двигун

а (у кВт),

в режимі коли він розвиває максимальний електромагнітний момент?

View this question

Механічна характеристика

асинхронного

двигун

а виду (а), зображена на рисунку, є природною

характеристикою цієї машини. Яку характеристику буде мати цей двигун

, якщо

напруга на обмотці статора буде меншою за номінальну?

View this question

Як зміниться струм в обмотці

ротора, якщо зменшити напругу живлення статора, а момент навантаження при цьому

зберегти незмінним?

View this question

Обчисліть ККД  асинхронного двигун

а (у %),

якщо його момент на валу становить 15 Нм, сумарні втрати 2090 Вт, а частота

обертання ротора 29 об/с.

View this question

На рисунку зображено залежності

ККД від корисної потужності для п’яти асинхронних

двигун

ів, що розраховані на

однакову номінальну потужність. Який з цих

двигун

ів буде мати найвищу температуру

нагріву за номінального навантаження?

Введіть її номер без жодних додаткових позначок.

View this question

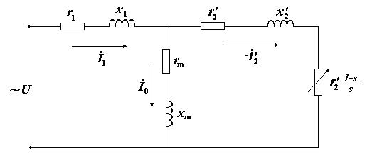
В якому опорі Т-подібної заступної

схеми асинхронної машини втрати потужності дорівнюють електричним втратам в

обмотці статора?

Варіанти відповідей:

1) ;      2) ;      3) ;       4) ;       5) ;      6) ;     7)     8) такий опір відсутній на схемі

Ведіть номер відповіді без жодних додаткових позначок.

View this question

Want instant access to all verified answers on vns.lpnu.ua?

Get Unlimited Answers To Exam Questions - Install Crowdly Extension Now!

Browser

Add to Chrome