logo

Crowdly

Browser

Add to Chrome

Електричні машини [05422]

Looking for Електричні машини [05422] test answers and solutions? Browse our comprehensive collection of verified answers for Електричні машини [05422] at vns.lpnu.ua.

Get instant access to accurate answers and detailed explanations for your course questions. Our community-driven platform helps students succeed!

Для асинхронного двигун

а з фазним

ротором обчисліть приведене значення активного опору обмотки ротора, якщо

величина активного опору обмотки ротора становить 0,16 Ом, обмоткові коефіцієнти

обмоток статора та ротора однакові, а кількість витків фази ротора у 1,9

разів менше ніж у фазі статора.

View this question

Обчисліть величину моменту на валі

асинхронного

двигун

а за номінального навантаження, за наступними номінальними

даними: споживана потужність – 39 кВт, сумарні втрати – 3,1 кВт, частота

обертання – 735 об/хв.

View this question
View this question

Як на векторній діаграмі

номінального режиму асинхронного

двигун

а розташовані вектори спаду напруги на

активному опорі фази статора та фазного струму статора?

View this question

Обчисліть частоту обертання магнітного поля

асинхронного

двигун

а, якщо він має 6 пар полюсів, живиться від мережі з

частотою 50 Гц, а його ковзання становить 0,053.

View this question

На підставі результатів проведення

якого досліду можна визначити величину механічних та магнітних втрат

асинхронного

двигуна?

0%
0%
0%
0%
0%
View this question

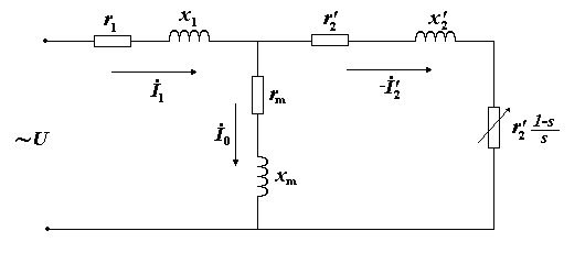
Як на Т-подібній заступній схемі асинхронної машини позначено опір, що враховує

 втрати в

магнітопроводі ротора

?

Варіанти відповідей:

1) ;      2) ;      3) ;       4) ;       5) ;      6) ;     7)     8) такий опір відсутній на схемі

Ведіть номер відповіді без жодних додаткових позначок.

View this question

Як зміниться струм в обмотці

ротора асинхронного

двигун

а, якщо зменшити 

величину ковзання?

0%
0%
0%
View this question

Для 2×2-

полюсного

турбо

генератора відомими є:

  • номінальна повна потужність – 850 кВА;

  • номінальна фазна напруга – 1100 В;

  • кількість витків у фазі статора – 819;

  • коефіцієнт вкорочення обмотки статора – 0,90;

  • коефіцієнт розподілу обмотки статора – 0,95;

Визначте амплітуду першої гармоніки МРС обмотки статора цієї

машини.

View this question

Для синхронної

трифазної явнополюсної

машини відомими є:

  • кількість пар полюсів – 5;

  • кількість витків у фазі статора – 105;

  • фазний струм статора– 376 А;

  • кут між струмом та ЕРС якоря – 50°;

  • обмотковий коефіцієнт для першої гармоніки ЕРС – 0,91;

  • величина рівномірного повітряного проміжку – 6,6 мм;

  • коефіцієнт повітряного проміжку – 1,07;

  • коефіцієнт форми поля по поздовжній осі – 0,98;

Насиченням

магнітопровода знехтувати.

Визначте амплітуду першої гармоніки магнітної індукції

по поздовжній осі цієї машини.

View this question

Want instant access to all verified answers on vns.lpnu.ua?

Get Unlimited Answers To Exam Questions - Install Crowdly Extension Now!

Browser

Add to Chrome