logo

Crowdly

Browser

Add to Chrome

Електричні машини [05422]

Looking for Електричні машини [05422] test answers and solutions? Browse our comprehensive collection of verified answers for Електричні машини [05422] at vns.lpnu.ua.

Get instant access to accurate answers and detailed explanations for your course questions. Our community-driven platform helps students succeed!

Проекція струму якоря по

повздовжній осі визначається через

0%
0%
0%
0%
0%
100%
View this question

Частота обертання синхронного двигун

а, що живиться від

мережі частотою 50 Гц становить

272,7

об/хв.

Скільки полюсів має цей

двигун?

View this question
View this question

Електрична машина

якого типу

зображена на рисунку?

0%
0%
0%
0%
0%
100%
0%
0%
0%
View this question

Яка точка на механічній

характеристиці асинхронного

двигун

а, зображеній на рисунку, відповідає

усталеному режиму його роботи?

0%
0%
0%
View this question

Для асинхронного трифазного двигун

а з короткозамкненим

ротором відомими є:

  • номінальна частота обертання –

    1455 об/хв;

  • напруга мережі – 660 В;

  • частота напруги – 50 Гц;

  • схема сполучення обмотки статора – Y;

  • активний опір обмотки статора– 0,045 Ом;

  • активний опір приведеної обмотки

    ротора –

    0,137 Ом;

  • індуктивний опір розсіювання

    обмотки статора –

    0,34 Ом;

  • індуктивний опір розсіювання

    приведеної обмотки ротора

    0,47 Ом.

Розрахунковий коефіцієнт приведення С1 прийняти рівними одиниці.

Яким буде значення повної механічної потужності цього двигун

а (у кВт),

в режимі коли він розвиває максимальний електромагнітний момент?

View this question

Яка з перерахованих величин не

змінюється за умови збільшення корисної потужності на валі асинхронного

двигуна?

0%
0%
0%
0%
0%
View this question

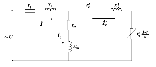
Як на Т-подібній заступній схемі асинхронної машини позначено опір, що враховує

 втрати в

магнітопроводі ротора

?

Варіанти відповідей:

1) ;      2) ;      3) ;       4) ;       5) ;      6) ;     7)     8) такий опір відсутній на схемі

Ведіть номер відповіді без жодних додаткових позначок.

View this question

Величина номінального

ковзання, характерного для асинхронних

двигун

ів з короткозамкненим ротором

загальнопромислового призначення знаходиться в діапазоні

0%
0%
0%
0%
0%
0%
0%
0%
View this question

Обчисліть фазний струм статорної обмотки, який

споживає асинхронний

двигун

за номінального навантаження, за наступними

номінальними даними: напруга мережі – 660 В, потужність на валі – 35 кВт,

коефіцієнт потужності – 0,78, ККД – 0,90, схема сполучення обмотки –

трикутник.

View this question

Want instant access to all verified answers on vns.lpnu.ua?

Get Unlimited Answers To Exam Questions - Install Crowdly Extension Now!

Browser

Add to Chrome