logo

Crowdly

Browser

Add to Chrome

Теорія автоматичного керування [02561]

Looking for Теорія автоматичного керування [02561] test answers and solutions? Browse our comprehensive collection of verified answers for Теорія автоматичного керування [02561] at vns.lpnu.ua.

Get instant access to accurate answers and detailed explanations for your course questions. Our community-driven platform helps students succeed!

Функція передачі ланки має вигляд  . При яких значеннях  сталої часу  , ланка буде аперіодичною, якщо  =5?
0%
0%
0%
0%
View this question

Вигляд кривої розгону якої типової ланки зображено на рисунку?

View this question

Вигляд кривої розгону якої типової ланки зображено на рисунку?

View this question
За якою формулою визначається дисперсія похибки регулювання Δx(t) системи регулювання, якщо на вхід системи діє випадковий процес z(t), a хзад(t)=0 ?

View this question
За якою формулою визначається А(ω) системи з вихідним сигналом x(t), якщо на вхід системи діє випадковий процес хзад(t) ?

0%
0%
0%
0%
View this question
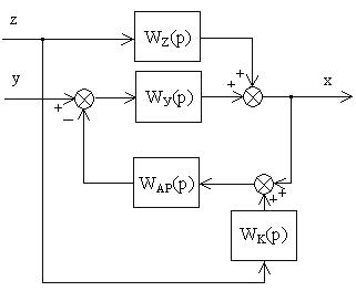
Яка функція передачі компенсатора Wk(p) забезпечить інваріантність САР, схема якої показана на рисунку, якщо функція передачі OP за збуренням Wz(p)=1/(25p+1), за регулюючою дією Wy(p)=0.1/p і регулятора WAP(p)=2(1+1/10p)?

0%
100%
0%
0%
0%
View this question
Яка функція передачі компенсатора Wk(p) забезпечить інваріантність САР, схема якої показана на рисунку, якщо функція передачі OP за збуренням Wz(p)=1/(25p+1), за регулюючою дією Wy(p)=0.1/p і регулятора WAP(p)=1+1/(25p)?

View this question
Яка функція передачі компенсатора Wk(p) забезпечить інваріантність САР, схема якої показана на рисунку, якщо функція передачі OP за збуренням Wz(p)= 0.1/p, за регулюючою дією Wy(p)=1/(25p+1) і регулятора WAP(p)= 1+1/10p?

View this question
Яка функція передачі компенсатора Wk(p) забезпечить інваріантність САР, схема якої показана на рисунку, якщо функціяпередачі OP за збуренням Wz(p)=4/(25p+1), за регулюючою дією Wy(p)=0.01/p і регулятора WAP(p)=2(1+1/25p)?

0%
0%
0%
0%
View this question
Яка коректуюча ланка Wk(p) застосована в САР, що показана на рисунку?

0%
0%
0%
0%
View this question

Want instant access to all verified answers on vns.lpnu.ua?

Get Unlimited Answers To Exam Questions - Install Crowdly Extension Now!

Browser

Add to Chrome