logo

Crowdly

Browser

Add to Chrome

Відновлення штучних будов

Looking for Відновлення штучних будов test answers and solutions? Browse our comprehensive collection of verified answers for Відновлення штучних будов at dl.kfk.sumdu.edu.ua.

Get instant access to accurate answers and detailed explanations for your course questions. Our community-driven platform helps students succeed!

Якщо у круглої залізобетонної водопропускної труби зруйнований оголовок портального типу, то має місце.....

0%
100%
0%
View this question

До постійних навантажень при розрахунках на відновлення ШС відносять.....

0%
0%
0%
0%
0%
0%
View this question

Тимчасове відновлення великих і середніх мостів робиться на .......

0%
0%
100%
View this question

До тимчасових навантажень при розрахунках на відновлення ШС відносять.....

0%
0%
0%
0%
0%
0%
View this question

 

Малі штучні будови завжди відновлюються на......

 

0%
0%
100%
View this question

Укріплення вістря дерев’яної палі виконують за допомогою...

0%
0%
0%
0%
50%
0%
View this question

В прогонових будовах тимчасових мостів з прокатних двотаврових балок для міжпрогонового заповнення виконують......

0%
0%
50%
0%
View this question

Великі мости відновлюються ......

0%
0%
0%
View this question

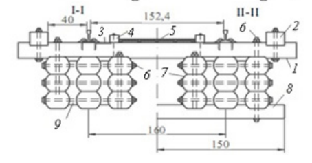
Поперечний переріз якої прогонової будови вказаний на кресленні?

0%
0%
0%
0%
0%
0%
0%
0%
View this question

Довжина типових збірних рамних надбудов складає

0%
0%
0%
0%
0%
0%
View this question

Want instant access to all verified answers on dl.kfk.sumdu.edu.ua?

Get Unlimited Answers To Exam Questions - Install Crowdly Extension Now!

Browser

Add to Chrome