logo

Crowdly

Browser

Add to Chrome

Проєктування систем автоматизації

Looking for Проєктування систем автоматизації test answers and solutions? Browse our comprehensive collection of verified answers for Проєктування систем автоматизації at dl.stpp.sumy.ua.

Get instant access to accurate answers and detailed explanations for your course questions. Our community-driven platform helps students succeed!

Введіть літерне позначення елементу електричної схеми - (заголовні літери)

View this question

Введіть літерне умовне позначення пристрою, що зображений на рисунку

View this question

До принципових схем висувають наступні вимоги:

View this question

На рисунку зображена

0%
0%
0%
View this question

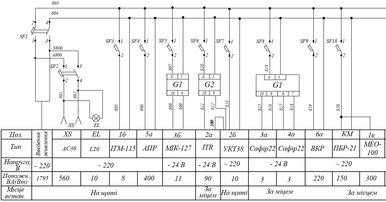
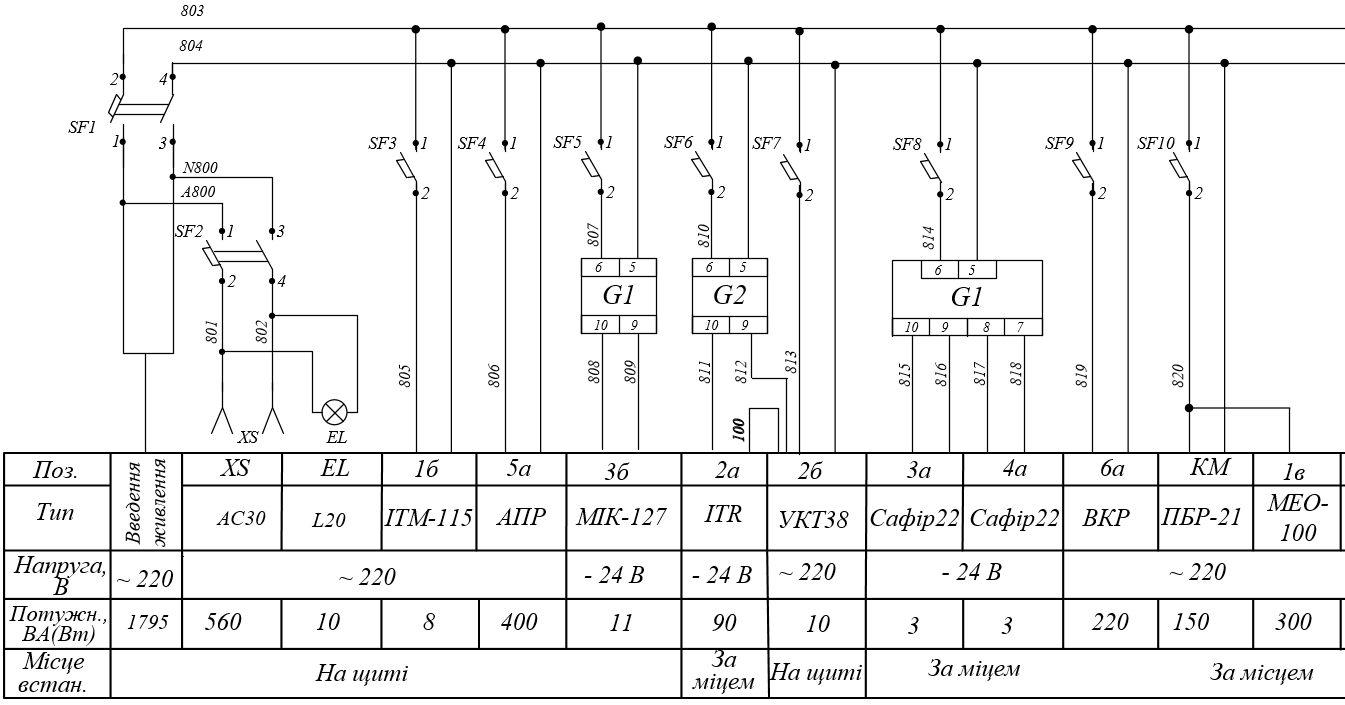
Номінальний струм вимикача SF10 становить ...... А

View this question

Введіть літерне позначення елементу електричної схеми - (заголовні літери)

View this question

Введіть літерне умовне позначення пристрою, що зображений на рисунку

View this question

Номінальний струм вимикача SF7 становить ...... А

View this question
Умовне позначення якого приладу наведено? 
View this question

Літерне умовне позначення регулятора маси

View this question

Want instant access to all verified answers on dl.stpp.sumy.ua?

Get Unlimited Answers To Exam Questions - Install Crowdly Extension Now!

Browser

Add to Chrome