logo

Crowdly

Browser

Add to Chrome

Мехатроніка

Looking for Мехатроніка test answers and solutions? Browse our comprehensive collection of verified answers for Мехатроніка at do.ipo.kpi.ua.

Get instant access to accurate answers and detailed explanations for your course questions. Our community-driven platform helps students succeed!

Яке явище негативно впливає на гідравлічні мехатронні системи?

0%
0%
0%
0%
0%
View this question

Щоб забезпечити рух гідравлічних двигунів використовують?

View this question

Тиск

View this question

Розшифруйте, як правильно називається розподільник 3/3

View this question

Створити власну пневматичну схему до складу якої

входить 3 пневматичні двигуни (за бажанням можна і більше). Однак, обов’язковою

вимогою є те, що в схемі має бути присутній хоча б один пневмоциліндр і один

пневмомотор. Скласти схему в програмі

FluidSIM

4.5.

View this question

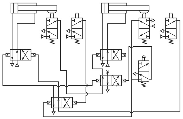
Створити власну гідравлічну схему до складу якої

входить 3 гідравлічні двигуни (за бажанням можна і більше). Однак, обов’язковою

вимогою є те, що в схемі має бути присутній хоча б один гідроциліндр і один

гідромотор. Скласти схему в програмі

FluidSIM

4.5.

View this question

View this question

View this question

View this question

Створити схему з заданих елементів із таблиці 1.1 відповідно до варіанту.

View this question

Want instant access to all verified answers on do.ipo.kpi.ua?

Get Unlimited Answers To Exam Questions - Install Crowdly Extension Now!

Browser

Add to Chrome