logo

Crowdly

Browser

Add to Chrome

25/26-1-д-з-Інноваційні системи сигнального авторегулювання та безпілотні поїзди-Прилипко

Looking for 25/26-1-д-з-Інноваційні системи сигнального авторегулювання та безпілотні поїзди-Прилипко test answers and solutions? Browse our comprehensive collection of verified answers for 25/26-1-д-з-Інноваційні системи сигнального авторегулювання та безпілотні поїзди-Прилипко at do.kart.edu.ua.

Get instant access to accurate answers and detailed explanations for your course questions. Our community-driven platform helps students succeed!

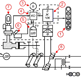
Який елемент структурної схеми АЛСБ (АЛСН) визначає припустиму швидкість руху поїзда?
View this question

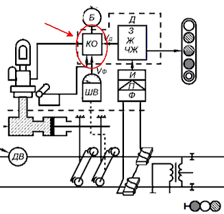
Призначення виділеного елемента структурної схеми АЛСБ (АЛСН)
View this question

Який елемент структурної схеми АЛСБ (АЛСН) інформує машиніста про припустиму швидкість руху?
View this question

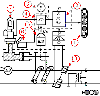
Призначення виділеного елемента структурної схеми АЛСБ (АЛСН)
View this question

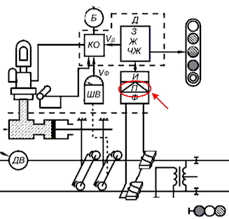
Призначення виділеного елемента структурної схеми АЛСБ (АЛСН)
View this question

При наближенні до даного світлофора на локомотивному світлофорі горить
View this question
Яке сигнальне показання на наступному прохідному світлофорі?
View this question
Коли на ЛС загоряється зелений вогонь?
View this question
Коли на ЛС загоряється червоний вогонь?
View this question
Коли при червоно-жовтому вогні на ЛС провадиться періодичний контроль пильності?
View this question

Want instant access to all verified answers on do.kart.edu.ua?

Get Unlimited Answers To Exam Questions - Install Crowdly Extension Now!

Browser

Add to Chrome