logo

Crowdly

Browser

Add to Chrome

141 - Електричні машини та мікромашини

Looking for 141 - Електричні машини та мікромашини test answers and solutions? Browse our comprehensive collection of verified answers for 141 - Електричні машини та мікромашини at do.nmu.org.ua.

Get instant access to accurate answers and detailed explanations for your course questions. Our community-driven platform helps students succeed!

Будова машини постійного

струму: 

100%
0%
0%
0%
View this question
Тип обмотки якоря машини постійного струму
0%
0%
0%
0%
View this question

Енергетична діаграма двигуна постійного струму паралельного збудження має

вигляд:

0%
0%
100%
0%
View this question

Тип збудження двигуна постійного струму, якому відповідає механічна

характеристика:

0%
100%
0%
0%
View this question

Спосіб регулювання частоти обертання двигуна постійного струму паралельного

(незалежного) збудження, для якого характерні наведені швидкісна і механічна

характеристики:

0%
100%
0%
0%
View this question

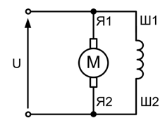
Спосіб збудження двигуна постійного струму:

100%
0%
0%
0%
View this question

Визначити потужність на виході з генератора постійного струму незалежного збудження, якщо значення електрорушійної сили , опір обмотки якоря 0,1 Ом  та струм навантаження дорівнює ,

0%
100%
0%
0%
View this question

Зовнішня характеристика генератора постійного струму змішаного збудження за зустрічного включення серієсної обмотки:

0%
0%
0%
0%
View this question

Частота обертання, яку має синхронна машина за Р = 2,  f = 60 Гц:

0%
25%
0%
75%
View this question

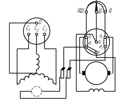
 Перерахуйте всі обмотки, з якими з’єднана клема ЯШ за

нормального режиму роботи синхронного генератора:

 

 

 

 

 

 

 

 

 

 

 

 

 

 

 

0%
0%
0%
0%
View this question

Want instant access to all verified answers on do.nmu.org.ua?

Get Unlimited Answers To Exam Questions - Install Crowdly Extension Now!

Browser

Add to Chrome