logo

Crowdly

Browser

Add to Chrome

Електронне та електричне обладнання автомобілів і його технічна експлуатація

Looking for Електронне та електричне обладнання автомобілів і його технічна експлуатація test answers and solutions? Browse our comprehensive collection of verified answers for Електронне та електричне обладнання автомобілів і його технічна експлуатація at do.nmu.org.ua.

Get instant access to accurate answers and detailed explanations for your course questions. Our community-driven platform helps students succeed!

7. З яким виводом у регуляторі напруги Я120 з’єднаний резистор сезонного регулювання Rпр?
0%
0%
0%
0%
View this question

6. Які виводи регулятора напруги Я120 з’єднані з обмоткою збудження генератора?
0%
0%
100%
0%
View this question
1. Як отримати напругу 24 В з двох 12-вольтових акумуляторів?
0%
100%
0%
0%
View this question
2. Що дає паралельне з’єднання акумуляторів?
0%
0%
0%
100%
View this question
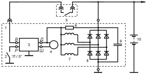
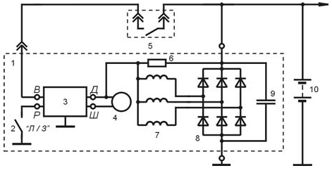
26. Якою позицією на схемі позначено транзистор КТ803?

0%
0%
0%
0%
View this question
25. Як позначений на схемі вихідний каскад?

100%
0%
0%
0%
View this question
24. Який конденсатор відфільтровує високочастотні імпульси на вході регулятора напруги 13.3702?

100%
0%
0%
0%
View this question
23. Якими позиціями на схемі позначений об’єкт регулювання?

0%
0%
100%
0%
View this question
22. Для перевірки справності безконтактних транзисторних та інтегральних регуляторів напруги використовують лампу потужністю...
0%
0%
100%
0%
View this question
21. Посезонне регулювання інтегральних регуляторів напруги дає їм змогу змінити напругу в межах...
33%
0%
67%
0%
View this question

Want instant access to all verified answers on do.nmu.org.ua?

Get Unlimited Answers To Exam Questions - Install Crowdly Extension Now!

Browser

Add to Chrome