logo

Crowdly

Browser

Add to Chrome

Мехатронні комплекси та системи

Looking for Мехатронні комплекси та системи test answers and solutions? Browse our comprehensive collection of verified answers for Мехатронні комплекси та системи at do.nmu.org.ua.

Get instant access to accurate answers and detailed explanations for your course questions. Our community-driven platform helps students succeed!

Вказати умовне позначення 5/3 розподільника

          1                 2                          3                        4                      5

0%
0%
0%
0%
100%
View this question

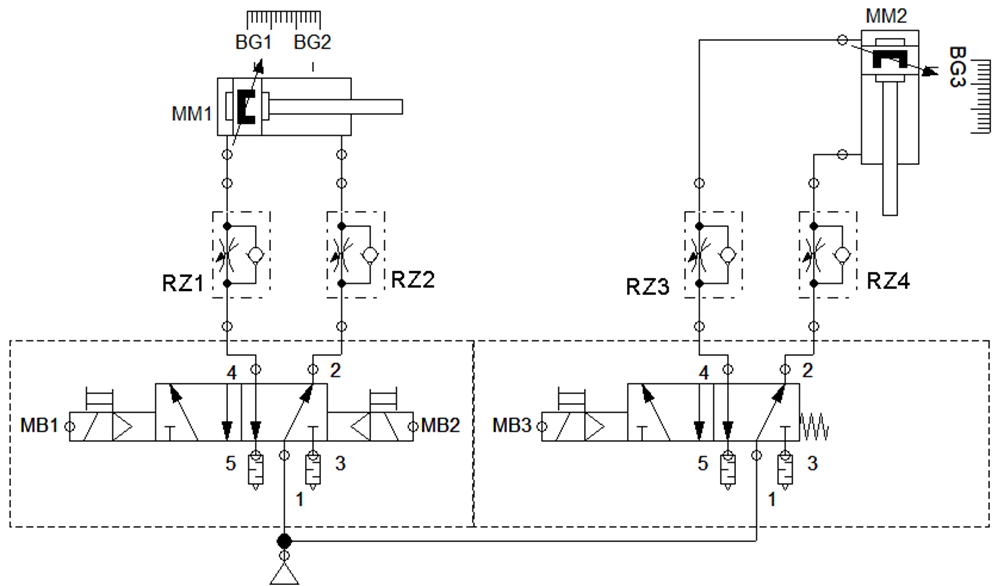
На рисунку наведена частина виконавчих механізмів і датчиків вакуумного захоплювача станції MPS Joining (J).

Для повернення пневмоциліндра вакуумного захоплювача, що рухається по вертикальній осі необхідно

0%
0%
100%
0%
0%
View this question

На рисунку наведена частина виконавчих механізмів і датчиків вакуумного захоплювача станції MPS Joining (J). 

Для висування пневмоциліндра горизонтального переміщення необхідно

0%
0%
100%
0%
0%
View this question

На рисунку приведено умовне графічне позначення:

 

0%
0%
0%
0%
View this question

На рисунку приведено умовне графічне позначення:

100%
0%
0%
0%
0%
View this question

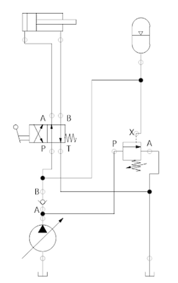
Які розподільники забезпечують високий  тиск рідини порту А у при зміні позиції вправо?

1    2

3   4

5

0%
0%
0%
100%
0%
View this question

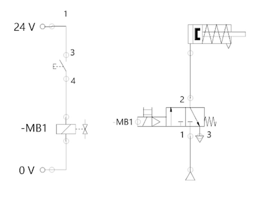
Визначити послідовність дій у схемі, якщо натиснути на кнопку в електричній схемі

0%
100%
0%
0%
View this question

В якій комбінації положень розподілювача і поршня виконавчого циліндра спрацьовує контрольний клапан?

0%
0%
100%
0%
View this question

Який з клапанів відкривається, коли різниця тисків у каналах керування досягає номінального рівня?

         1                     2                     3                   4                     5

0%
0%
0%
0%
100%
View this question

Який з клапанів закривається, коли різниця тисків у каналах керування досягає номінального рівня?

        1                    2                   3                4                     4

0%
0%
0%
0%
100%
View this question

Want instant access to all verified answers on do.nmu.org.ua?

Get Unlimited Answers To Exam Questions - Install Crowdly Extension Now!

Browser

Add to Chrome