logo

Crowdly

Browser

Add to Chrome

Мехатронні комплекси та системи

Looking for Мехатронні комплекси та системи test answers and solutions? Browse our comprehensive collection of verified answers for Мехатронні комплекси та системи at do.nmu.org.ua.

Get instant access to accurate answers and detailed explanations for your course questions. Our community-driven platform helps students succeed!

Вказати умовне позначення контрольного клапана з пілотним контролем на відкривання

          1                      2                     3                  4                      5

100%
0%
0%
0%
0%
View this question

Вказати умовне позначення клапана, що спрацьовує як логічна функція OR

      1                       2                   3                       4                  5

0%
0%
100%
0%
0%
View this question

Вказати умовне позначення регульованого дроселя

         1                     2                         3                        4

0%
0%
100%
0%
View this question

Вказати умовне позначення регульованої насадки

          1                         2                             3                          4

0%
0%
0%
100%
View this question

Вказати умовне позначення ручного керування

         1                2                 3                   4                            5

0%
0%
0%
0%
100%
View this question

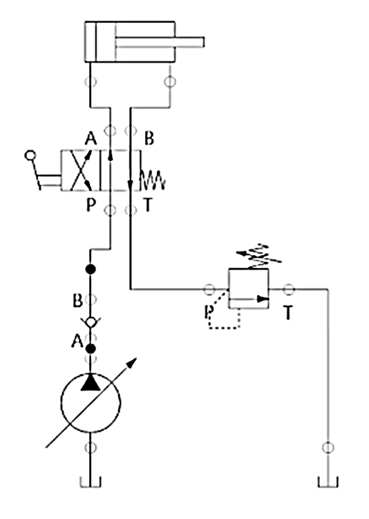
Коли спрацьовує запобіжний клапан?

 

Визначити умови:

View this question

Який з клапанів закривається, коли різниця тисків у каналах керування досягає номінального рівня?

        1                    2                   3                4                     4

0%
0%
0%
50%
50%
View this question

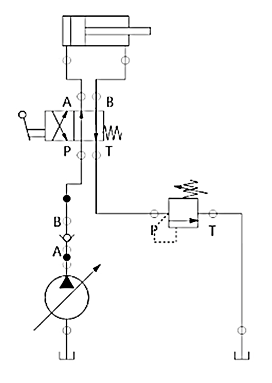
Коли спрацьовує запобіжний клапан?

 

Визначити умови:

View this question

Коли спрацьовує запобіжний клапан?

 

Визначити умови:

View this question

У відповідності до порядку виконання операцій і номенклатури деталей визначити  структурно-технологічну схему ГАД

№ деталі

Позначення

Порядок виконання операцій

1

D1

 т1, т2, с1, р1

2

D2

 т1, т2, с1, ф1

3

D3

 т3, ф2, т1, т2, р1

4

D4

 т1, т2, с1, р1, т3

5

D5

 т3, т4, т1, т2, с1, ф1

6

D6

 с2, т3

0%
0%
0%
0%
0%
0%
View this question

Want instant access to all verified answers on do.nmu.org.ua?

Get Unlimited Answers To Exam Questions - Install Crowdly Extension Now!

Browser

Add to Chrome