logo

Crowdly

Browser

Add to Chrome

Холбооны системийн цахилгаан хангамж

Looking for Холбооны системийн цахилгаан хангамж test answers and solutions? Browse our comprehensive collection of verified answers for Холбооны системийн цахилгаан хангамж at elearn.sict.edu.mn.

Get instant access to accurate answers and detailed explanations for your course questions. Our community-driven platform helps students succeed!

Хугацааны үеийн турш тодорхой давтамжтайгаар агуургын утга нь хувьсан өөрчлөглөх гүйдлийг хувьсах гүйдэл АС гэнэ.

0%
0%
View this question

Цахилгаан энергийг  түгээх сүлжээнд өгөхийн өмнө бууруулах трансформаторт чадлын түвшинг бууруулна.

0%
0%
View this question

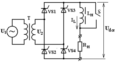
Тэгш хэмт удирдлагатай шулуутгуурын α1 хугацааны агшинд VS1 ба VS4 тиристоруудын удирдлагын электродод удирдлагын импульс өгөгдөх ба энэ үед. /олон хариулт байж болно/

0%
0%
0%
0%
View this question

Сэлгэн залгах горимтой тэжээлийн үүсгүүрийн бүрэлдэхүүн хэсэгт аль нь хамаарахгүй вэ?

0%
0%
0%
0%
View this question

Олон сувгийн удирдлагын систем нь ажиллагааны хурд сайн, шулуутгагдсан хүчдлийн тогтворжилт сайн, тохируулгын цар өргөн байдаг.

0%
0%
View this question

Түгээх сүлжээний хүчдэлийн гэнэтийн өсөлтийг хэлэх бөгөөд буцаад хүчдэлийн хэвийн утга руу сэргэх үзэгдлийг хэлнэ.

0%
0%
0%
0%
View this question

Тэгш хэмт бус шулуутгуурын схемийн давуу тал юу вэ?

0%
0%
0%
0%
View this question

Цахилгаан энергийг механик энергид, эсвэл мехаик энергийг цахилгаан энергид хувиргадаг хувиргууруудыг шулуутгуур гэнэ.

0%
0%
View this question

Гурван фазын тэнцвэртэй (балансад) систем гэдэг нь А1 ба А2, В1 ба В2, С1 ба С2-ийн агуургын утгууд тэнцүү, фаз нь 1200 зөрүүтэй байна.

0%
0%
View this question

Гурван фазын системд анхдагч болон хоёрдогч хэлхээний ороомгуудыг ОД буюу Ү, ГУРВАЛЖИН буюу ∆, эсвэл ЗИГЗАГ буюу Z холболтуудын аль нэг аргаар холбож болно.

0%
100%
View this question

Want instant access to all verified answers on elearn.sict.edu.mn?

Get Unlimited Answers To Exam Questions - Install Crowdly Extension Now!

Browser

Add to Chrome