logo

Crowdly

Browser

Add to Chrome

Холбооны системийн цахилгаан хангамж

Looking for Холбооны системийн цахилгаан хангамж test answers and solutions? Browse our comprehensive collection of verified answers for Холбооны системийн цахилгаан хангамж at elearn.sict.edu.mn.

Get instant access to accurate answers and detailed explanations for your course questions. Our community-driven platform helps students succeed!

Бүтэн үеийн нэг фазын удирдлагатай мостон шулуутгуурын хувьд үүсгүүрийн хүчдэл 120В, давтамж 50Гц, R=10Ом ачаатай болон удирдлагын өнцөг 450 (firing angle) үед ачаан дээрх дундаж гүйдлийг ол.

0%
0%
0%
0%
View this question

Орчин үеийн үйлдвэрийн электроник ба цахилгаан автоматикийн төхөөрөмжинд трансформаторын дундаж цэг тэг төгсгөлийн үзүүртэй гурван фазын схемийг дангаар нь буюу нарийн ажиллагаатай шулуутгуурын бүрэлдэхүүнд хамгийн түгээмэл ашигладаг

100%
0%
View this question

Трансформаторын хоёрдугаар ороомгийн гүйдлийн чиглэл ленцийн хуулиар

0%
0%
0%
View this question

Цахилгаан энергийн чанарын үзүүлэлтүүд муудахгүй, төхөөрөмжийн тэжээлийн хэлхээний оролтонд хүчдэл унах, тасрах үзэгдэл байхгүй цахилгаан тэжээл

0%
0%
0%
0%
View this question

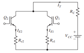
Two MOSFETs that are connected in parallel similar to Figure below carry a total current of IT= 20A. The drain to source voltage of MOSFET M1 is VDS1=2.5V and that of MOSFET M2 is VDS2 = 3V. Determine the drain current of each transistor and difference in current sharing if the current sharing series resistances are Rs1=Rs2= 0.5Ω. Find the current sharing by two parallel MOSFETs.

0%
0%
0%
0%
View this question

Цахилгаан машины тодорхой хугацааны турш (20-25 жил) гэмтэлгүй ажиллагаа болон халалтын нөхцөлөөр тодорхойлсон чадлыг хэвийн чадал гэнэ.

0%
0%
View this question

Бүтэн үеийн мостон шулуутгуурын Д2 диодонд өгөгдсөн эсрэг хүчдлийн максимум утга ямар хэмжээтэй байх вэ?

0%
0%
0%
0%
View this question

Тогтмолжуулах шүүрийн схемд дроссель нь шүүрийн элементийн хувьд хувьсах хүчдлийн нийлэгдэхүүнд ихээхэн эсэргүүцэл үзүүлж түүн дээр хувьсах нийлэгдэхүүн ихээхэн алдагдах үйлчлэл үзүүлдэг тул

0%
0%
0%
View this question

AC –AC, AC –DC, DC –AC, DC –DC гэж хувиргууруудыг оролт гаралтынх нь уялдаа холбооноос хамааруулж ангилж болно.

100%
0%
View this question

Ачаа тодорхой заагдсан тогтмол гүйдэл, хүчдлийг шаардаж байгаа үед …….. хувиргуурыг ашиглах нь тохиромжтой.

0%
0%
0%
0%
View this question

Want instant access to all verified answers on elearn.sict.edu.mn?

Get Unlimited Answers To Exam Questions - Install Crowdly Extension Now!

Browser

Add to Chrome