logo

Crowdly

Browser

Add to Chrome

Железнодорожные станции и узлы (модуль 2) Д1, Д7, очное

Looking for Железнодорожные станции и узлы (модуль 2) Д1, Д7, очное test answers and solutions? Browse our comprehensive collection of verified answers for Железнодорожные станции и узлы (модуль 2) Д1, Д7, очное at eor.stu.ru.

Get instant access to accurate answers and detailed explanations for your course questions. Our community-driven platform helps students succeed!

Дополнительные пути в перронном парке участковой станции могут укладываться в случаях:
View this question

Подача вагонов под выгрузку на грузовой район участковой станции является:

0%
100%
0%
0%
View this question

Выделенный съезд в горловине станции продольного типа предназначен для обеспечения:

0%
0%
0%
0%
View this question
Число путей в сортировочном парке участковой станции устанавливается с учетом:
0%
0%
0%
0%
View this question
На однопутных линиях рекомендуется устраивать участковые станции продольного типа в случаях:
View this question

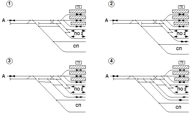
Какой вариант укладки ходовых путей соответствует нормативным

рекомендациям, если на станции производится смена локомотивов более чем у 38 пар грузовых поездов в сутки:

0%
0%
0%
0%
View this question

Расчет устройств участковой станции производится:

View this question

На двухпутных линиях устройство участковой станции поперечного типа рекомендуется в случаях:

0%
0%
0%
0%
View this question

На однопутных линиях устройство участковой станции продольного (полупродольного) типов рекомендуется в случаях:

100%
100%
0%
100%
View this question

Основными преимуществами участковых станций продольного (полупродольного) типа по сравнению со станциями поперечного типа являются:

100%
100%
0%
100%
View this question

Want instant access to all verified answers on eor.stu.ru?

Get Unlimited Answers To Exam Questions - Install Crowdly Extension Now!

Browser

Add to Chrome