logo

Crowdly

Browser

Add to Chrome

Електротехніка та електропривід

Looking for Електротехніка та електропривід test answers and solutions? Browse our comprehensive collection of verified answers for Електротехніка та електропривід at exam.nuwm.edu.ua.

Get instant access to accurate answers and detailed explanations for your course questions. Our community-driven platform helps students succeed!

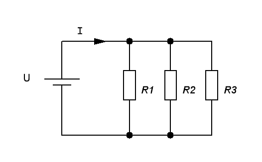
Визначіть струм в колі І, якщо R1=10 Ом R2=20 Ом R3=40 Ом U=42 В

View this question

Одиницею виміру індуктивності в системі СІ є:

View this question

Чому дорівнює 1 Кіловат (КВт):

View this question

Електрорушійні сили джерела енергії, напруги і струми, які періодично змінюються в часі називаються:

View this question

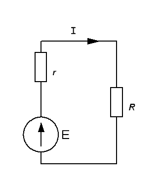
Знайдіть силу струму в колі І, якщо ЕРС Е=3В, внутрішній опір r=1Ом, опір навантаження R=1 Ом

0%
0%
0%
0%
View this question

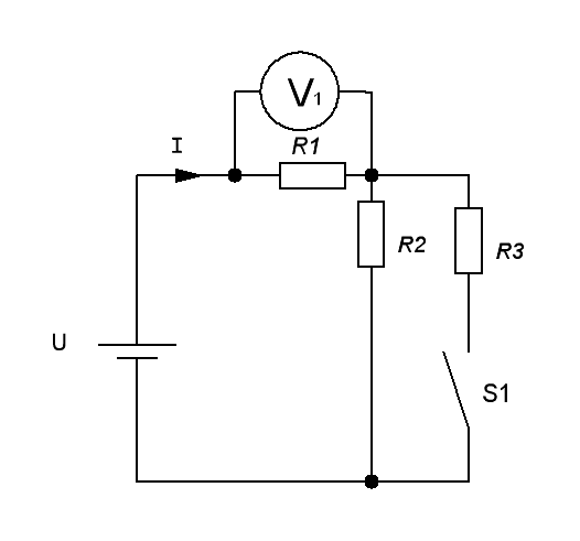
Як зміниться струм I (в нерозгалуженій ділянці кола) та спад напруги на резисторі R1 (покази вольтметра V1)після замикання ключа S

0%
0%
0%
0%
0%
View this question

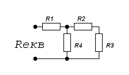
Знайдіть еквівалентний опір з’єднання Rекв, якщо R1=20 Ом R2=10 Ом R3=10 Ом R4=20 Ом

0%
0%
0%
0%
0%
View this question

Елемент кола, в якому здійснюється необоротний процес перетворення електроенергії в теплову називається:

View this question

Одиниця виміру ємності конденсатора в системі СІ:

View this question

Алгебраїчна сума струмів у вузлі дорівнює нулю:

View this question

Want instant access to all verified answers on exam.nuwm.edu.ua?

Get Unlimited Answers To Exam Questions - Install Crowdly Extension Now!

Browser

Add to Chrome