logo

Crowdly

Browser

Add to Chrome

Електротехніка та електропривід

Looking for Електротехніка та електропривід test answers and solutions? Browse our comprehensive collection of verified answers for Електротехніка та електропривід at exam.nuwm.edu.ua.

Get instant access to accurate answers and detailed explanations for your course questions. Our community-driven platform helps students succeed!

Який прилад використовують для вимірювання сили струму?

0%
0%
0%
0%
0%
View this question

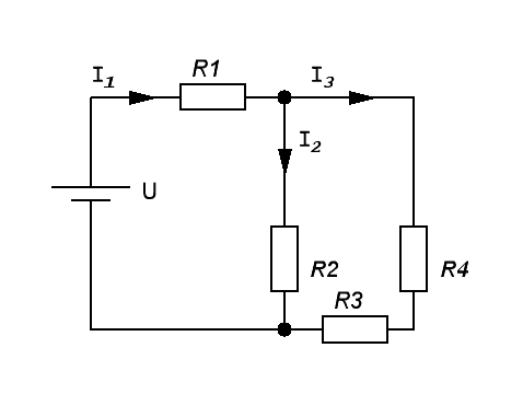
Визначити струм І1, що протікає через ділянку кола a-b, якщо спад напруги на ділянці кола Uab=40В, Е1=20В, Е2=20В, R1=10 Ом, R2=20 Ом

View this question

Найхарактернішими режимами роботи електричних кіл та окремих їх елементів є:

View this question

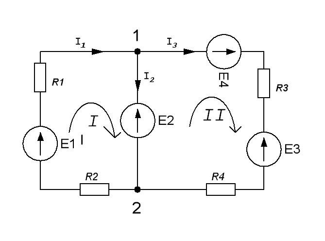
Чому буде рівний спад напруги на опорі R1 (покази вольтметра V1), якщо І2=2А, І3=2А, R1=10 Ом

0%
0%
0%
0%
View this question

Що таке електрична потужність?

View this question

Яке явище лежить в основі роботи трансформатора?

0%
0%
0%
0%
0%
0%
View this question

Визначіть невідому ЕРС Е1 у контурі І, якщо Е2=20В, І1=10А , R1=1 Ом R2=1 Ом

View this question

Яка потужність буде виділятися на опорі R1 (Р1), якщо І2=2А, І3=1А, R1=10 Ом

View this question

Want instant access to all verified answers on exam.nuwm.edu.ua?

Get Unlimited Answers To Exam Questions - Install Crowdly Extension Now!

Browser

Add to Chrome