logo

Crowdly

Browser

Add to Chrome

Опір матеріалів

Looking for Опір матеріалів test answers and solutions? Browse our comprehensive collection of verified answers for Опір матеріалів at exam.nuwm.edu.ua.

Get instant access to accurate answers and detailed explanations for your course questions. Our community-driven platform helps students succeed!

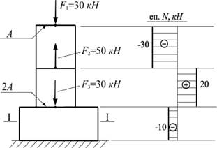
Обчислити величину нормальної напруги ( , МПа) в перерізі бруса І-І ; ( )

0%
0%
0%
0%
View this question

Яка точка на діаграмі розтягу зразка з маловуглецевої сталі відповідає моменту розриву () ?

View this question

Чому дорівнює найменше значення коефіцієнту Пуассона для ізотропного матеріалу?

0%
0%
0%
0%
0%
View this question

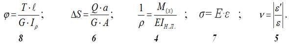
Яка з наведених формул є законом Гука при центральному розтягу (стиску)?

View this question

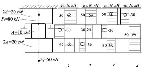
Вказати правильну епюру поздовжніх сил (еп. N) для заданого бруса

0%
0%
0%
0%
View this question

Що є характеристикою міцності матеріалу?

View this question

Матеріал, для якого фізико-механічні властивості в різних напрямках однакові називають анізотропним

0%
100%
View this question

Який вигляд має діаграма стиску зразка з чавуну?

0%
0%
0%
50%
View this question

Вказати правильну епюру поздовжніх сил (еп. N) для заданого бруса

50%
0%
0%
0%
View this question

Яке найбільше значення набуває коефіцієнт Пуассона для ізотропного матеріалу?

0%
0%
0%
0%
0%
View this question

Want instant access to all verified answers on exam.nuwm.edu.ua?

Get Unlimited Answers To Exam Questions - Install Crowdly Extension Now!

Browser

Add to Chrome