logo

Crowdly

Browser

Add to Chrome

Опір матеріалів

Looking for Опір матеріалів test answers and solutions? Browse our comprehensive collection of verified answers for Опір матеріалів at exam.nuwm.edu.ua.

Get instant access to accurate answers and detailed explanations for your course questions. Our community-driven platform helps students succeed!

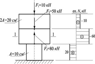
Обчислити величину нормальної напруги ( , МПа) в перерізі бруса І-І

View this question

Якій із точок на діаграмі розтягу зразка із маловуглецевої сталі відповідає границя міцності ( )?

View this question

Чому дорівнює поперечна сила в перерізі II -- II ?

View this question

Чому дорівнює згинальний момент в перерізі ІІ -- ІІ ? (в кНм)

View this question

Вкажіть епюру поперечних сил для балки

View this question

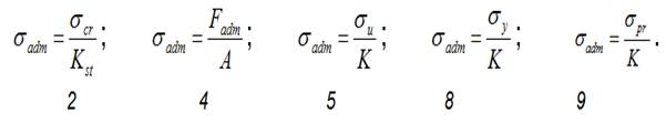
Як визначається величина допустимої нормальної напруги за даними випробування на розтяг (стиск) пластичного матеріалу?

View this question

Який вигляд має діаграма стиску зразка з чавуну?

View this question

В яких одиницях вимірюється величина коефіцієнта Пуассона ( )?

View this question

Чому дорівнює реакція опори А? (в кН)

View this question

Чому дорівнює найменше значення коефіцієнту Пуассона для ізотропного матеріалу?

View this question

Want instant access to all verified answers on exam.nuwm.edu.ua?

Get Unlimited Answers To Exam Questions - Install Crowdly Extension Now!

Browser

Add to Chrome