logo

Crowdly

Browser

Add to Chrome

Опір матеріалів

Looking for Опір матеріалів test answers and solutions? Browse our comprehensive collection of verified answers for Опір матеріалів at exam.nuwm.edu.ua.

Get instant access to accurate answers and detailed explanations for your course questions. Our community-driven platform helps students succeed!

Що називається границею текучості матеріалу?

View this question

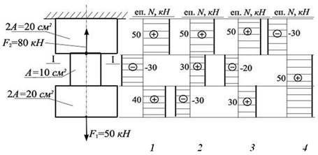
Вказати правильну епюру поздовжніх сил (еп. N) для заданого бруса

View this question

Згідно якої формули визначаються нормальні напруги в довільній точці поперечного перерізу балки у випадку згину?

View this question

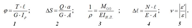
Вкажіть формулу для визначення осьового моменту опору (через осьовий момент інерції)

View this question

Вказати правильну епюру поздовжніх сил (еп. N) для заданого бруса

View this question

Яка з наведених формул є законом Гука при центральному розтягу (стиску)?

View this question

Вказати правильну епюру поздовжніх сил (еп. N) для заданого бруса

View this question

Що таке " S " у формулі Журавського?

View this question

Вказати правильну епюру поздовжніх сил (еп. N) для заданого бруса

View this question

Який матеріал називають анізотропним?

View this question

Want instant access to all verified answers on exam.nuwm.edu.ua?

Get Unlimited Answers To Exam Questions - Install Crowdly Extension Now!

Browser

Add to Chrome