logo

Crowdly

Browser

Add to Chrome

Основи теорії споруд

Looking for Основи теорії споруд test answers and solutions? Browse our comprehensive collection of verified answers for Основи теорії споруд at exam.nuwm.edu.ua.

Get instant access to accurate answers and detailed explanations for your course questions. Our community-driven platform helps students succeed!

Чому дорівнює величина модуля пружності (Е) для сталі?

View this question

Яка точка на діаграмі розтягу зразка з маловуглецевої сталі відповідає границі міцності?

0%
0%
0%
50%
View this question

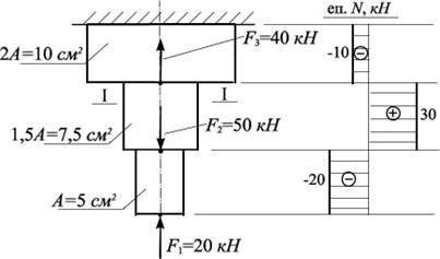
Чому дорівнює згинальний момент в перерізі II-- II ?

View this question

В яких одиницях вимірюється величина коефіцієнта Пуассона

?

View this question

Яка точка на діаграмі розтягу зразка з мало вуглецевої сталі відповідає границі пропорційності ( )?

0%
0%
0%
0%
0%
View this question

Вкажіть епюру поперечних сил для даної балки

View this question

Вкажіть епюру згинальних моментів для балки

View this question

Чому дорівнює величина поздовжньої сили в поперечному перерізі бруса при центральному розтягу ( стиску )?

0%
0%
0%
0%
0%
View this question

Визначити величину нормальної напруги (, МПа) в перерізі бруса І-І

0%
0%
0%
0%
0%
View this question

В якій точці по висоті перерізу будуть найбільші дотичні напруги?

0%
0%
0%
0%
0%
View this question

Want instant access to all verified answers on exam.nuwm.edu.ua?

Get Unlimited Answers To Exam Questions - Install Crowdly Extension Now!

Browser

Add to Chrome