logo

Crowdly

Browser

Add to Chrome

Основи теорії споруд

Looking for Основи теорії споруд test answers and solutions? Browse our comprehensive collection of verified answers for Основи теорії споруд at exam.nuwm.edu.ua.

Get instant access to accurate answers and detailed explanations for your course questions. Our community-driven platform helps students succeed!

Чому дорівнює поперечна сила в перерізі I – I?

View this question

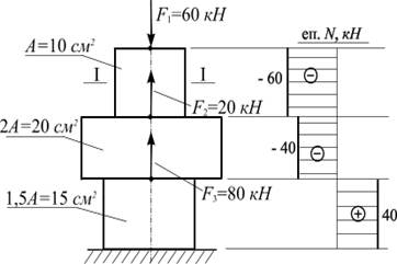
Вказати правильну епюру поздовжніх сил (еп. N) для заданого бруса

0%
0%
0%
0%
0%
View this question

Визначити величину нормальної напруги (, МПа) в перерізі бруса І-І

View this question

Як позначається величина допустимої нормальної напруги?

View this question

Чому дорівнює реакція опори В – Rв? (в кН)

View this question

Чому дорівнює реакція Rв опори В? (в кН)

View this question

Вкажіть епюру поперечних сил для балки

0%
0%
0%
0%
View this question

Який вигляд має діаграма розтягу зразка з маловуглецевої сталі?

0%
0%
0%
0%
0%
View this question

Чому дорівнює поперечна сила в перерізі II-- II ?

0%
0%
0%
0%
0%
View this question

Чому дорівнює поперечна сила в перерізі І-- І даної балки (в кН)?

View this question

Want instant access to all verified answers on exam.nuwm.edu.ua?

Get Unlimited Answers To Exam Questions - Install Crowdly Extension Now!

Browser

Add to Chrome