logo

Crowdly

Browser

Add to Chrome

ECE3161 Analogue Electronics - MUM S2 2025

Looking for ECE3161 Analogue Electronics - MUM S2 2025 test answers and solutions? Browse our comprehensive collection of verified answers for ECE3161 Analogue Electronics - MUM S2 2025 at learning.monash.edu.

Get instant access to accurate answers and detailed explanations for your course questions. Our community-driven platform helps students succeed!

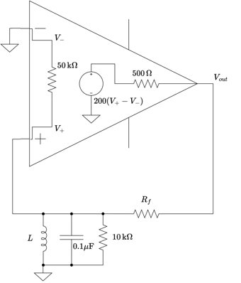
Q8. Determine the oscillation frequency

Find the oscillation frequency of the op-amp oscillator below. 

0%
0%
0%
0%
0%
View this question

Q7. Determine the oscillation frequency

Consider the oscillator below which is driven by a dependent current source.  Assuming sufficient g_mg_m there to sustain oscillations, find the oscillation frequency in rad/s?

View this question

Q6. Determine the oscillation frequency

The oscillation frequency of an LC oscillator is given by f= \frac{1}{2\pi\sqrt{LC}}f= \frac{1}{2\pi\sqrt{LC}}, where LL and CC are the values of the inductor and capacitor setting the oscillation. For the oscillator below. find the oscillation frequency. 

View this question

Q5. Determine the component values 

The oscillation frequency of an LC oscillator is given by f= \frac{1}{2\pi\sqrt{LC}}f= \frac{1}{2\pi\sqrt{LC}}, where LL and CC are the values of the inductor and capacitor setting the oscillation. For the oscillator below. find the values of LL and R_fR_f so that the oscillation frequency is 5\text{kHz}5\text{kHz}

View this question

Q4. Determine the oscillation frequency (angular frequency) and a filter parameter

A sinusoidal oscillator consists of an amplifier having a positive, frequency-independent gain A connected in a feedback loop with a second order bandpass filter having the transfer function T(s) = \frac{(\frac{\omega_0}{Q})sK}{s^2 + (\frac{\omega_0}{Q})s + \omega_0^2}T(s) = \frac{(\frac{\omega_0}{Q})sK}{s^2 + (\frac{\omega_0}{Q})s + \omega_0^2} , where ss is the Laplace variable, and KK, \omega_0\omega_0, and QQ are positive constants. Find the frequency of oscillation and the minimum value of KK must have for sustained oscillations. 

Image failed to load

0%
0%
0%
0%
0%
View this question

Q3. Determine the gain and phase to sustain oscillations

A negative feedback system is shown below. Under what conditions does the system oscillate?

Image failed to load

0%
0%
0%
0%
0%
View this question

Q8. Determine the current and output impedance

For the NPN current source below, determine the current I_CI_C and output resistance R_{out}R_{out}  as indicated on the diagram.

Image failed to load

View this question

Q7. Determine the current and output impedance

The non-ideal op-amp with gain A=50000A=50000, but with infinite input resistance and zero output resistance below is used to increase the overall output resistance of NMOS current source below. Find the current I_DI_D and the output resistance, R_{in}R_{in}.

Image failed to load

0%
0%
0%
0%
0%
View this question

Q6. Determine the current and output impedance

Consider the NMOS current source below. Find the current I_DI_D and the output resistance R_{out}R_{out} as indicated on the diagram.

Image failed to load

0%
0%
0%
0%
0%
View this question

Q5. Determine the current and output impedance

For the PMOS current source below, determine the current I_DI_D and the output resistance R_{out}R_{out} as indicated on the diagram.

Image failed to load

View this question

Want instant access to all verified answers on learning.monash.edu?

Get Unlimited Answers To Exam Questions - Install Crowdly Extension Now!

Browser

Add to Chrome