logo

Crowdly

Browser

Add to Chrome

Project Lab (including SMSCP Level 1)_Elective A/B

Looking for Project Lab (including SMSCP Level 1)_Elective A/B test answers and solutions? Browse our comprehensive collection of verified answers for Project Lab (including SMSCP Level 1)_Elective A/B at lms.bstsrhberlin.com.

Get instant access to accurate answers and detailed explanations for your course questions. Our community-driven platform helps students succeed!

TIA Portal is used for Siemens PLC programming and configuration

, including

setting IP addresses.

100%
0%
View this question

By reading the multimeters in the electrical circuit shown below, determine the type of failure in the circuit and which component failed

0%
100%
0%
0%
View this question

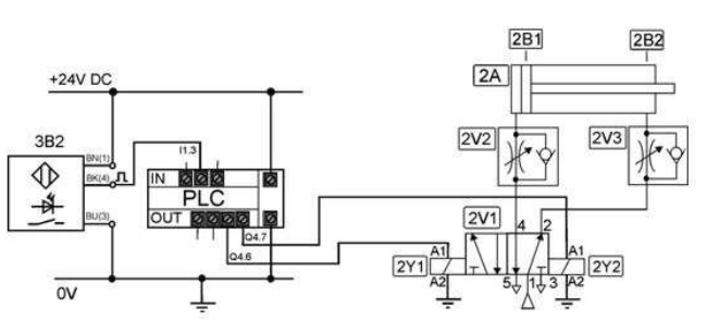
In the subsystem as shown below, after Sensor 3B2 sends a signal to the PLC input I1.3 (indicating the light on the control panel is switched ON), Cylinder 2A must extend, but the system does not execute this step. How would you solve the problem?

0%
0%
0%
0%
View this question

Which of the following output voltages based on the float position of an

automotive fuel level sensor, as shown below, is correct?

0%
0%
100%
0%
View this question

Which device converts electrical signals into physical movement in an Industrial automation system?

0%
0%
0%
0%
View this question

Following logic is giving errors after compilation. What could be the issue?

Image failed to load

25%
0%
0%
75%
View this question

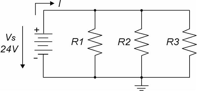
A sudden increase in the total current, in a

parallel circuit, as shown below, may indicate

:

0%
0%
100%
0%
0%
View this question

The decimal number 35 is represented as 0010 0011 in binary. In contrast, decimal number 35 is represented as 0011 0101 in BCD

0%
0%
View this question

What type of programming language is shown below?

100%
0%
0%
0%
View this question

A NOT gate inverts the input signal

100%
0%
View this question

Want instant access to all verified answers on lms.bstsrhberlin.com?

Get Unlimited Answers To Exam Questions - Install Crowdly Extension Now!

Browser

Add to Chrome