logo

Crowdly

Browser

Add to Chrome

Project Lab (including SMSCP Level 1)_Elective A/B

Looking for Project Lab (including SMSCP Level 1)_Elective A/B test answers and solutions? Browse our comprehensive collection of verified answers for Project Lab (including SMSCP Level 1)_Elective A/B at lms.bstsrhberlin.com.

Get instant access to accurate answers and detailed explanations for your course questions. Our community-driven platform helps students succeed!

How does the Pneumatic Cylinder shown below retract?

0%
0%
0%
0%
View this question

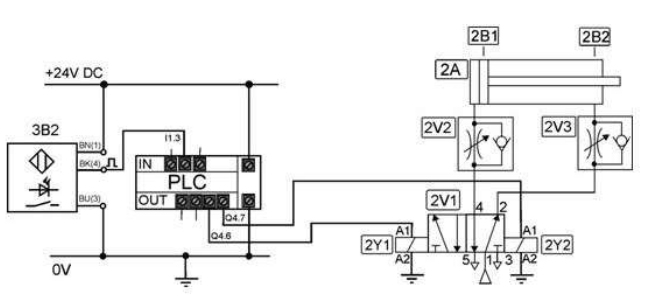
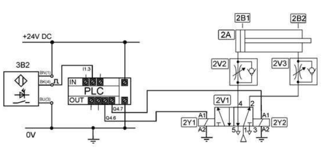
In the subsystem as shown below, after Sensor 3B2 sends a signal to the PLC input I1.3 (indicating the light on the control panel is switched ON), Cylinder 2A must extend, but the system does not execute this step. How would you solve the problem?

0%
0%
0%
0%
View this question

By reading the multimeters in the electrical circuit shown below, determine the type of failure in the circuit and which component failed

0%
100%
0%
0%
View this question

What statement about the detecting the advanced or retracted position of the piston rod, shown below are correct?

0%
0%
100%
0%
View this question

What are the hardware components placed at positions 2, 4, and 5?

The available options are as follows:

(A)  CPU

(B)  DI 16/ DO 16

(C)  DI 8/ DO 8

(D)  HMI

 

100%
0%
0%
0%
View this question

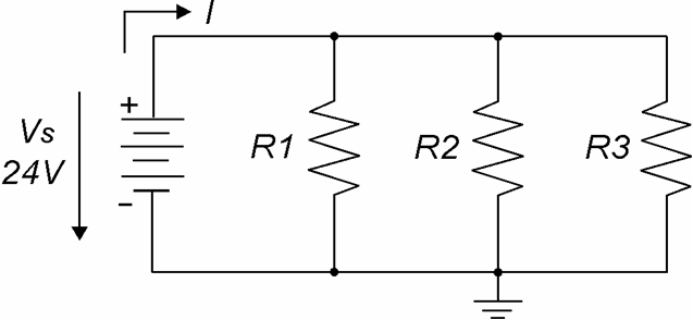
A sudden increase in the total current, in a

parallel circuit, as shown below, may indicate

:

0%
100%
0%
0%
0%
View this question

In the subsystem as shown below, after Sensor 3B2 sends a signal to the PLC input I1.3 (indicating the light on the control panel is switched ON), Cylinder 2A must extend, but the system does not execute this step. How would you solve the problem?

100%
0%
0%
0%
View this question

Which connection variant for a motor is shown in the figure?

100%
0%
0%
0%
View this question

What type of programming language is shown below?

100%
0%
0%
0%
View this question

An 8- bit binary counter has to count the balls going into a box from a conveyor belt. The sensor detects the passing of a ball. If it has counted 101 balls, the binary value of the counter is ...

0%
0%
25%
75%
View this question

Want instant access to all verified answers on lms.bstsrhberlin.com?

Get Unlimited Answers To Exam Questions - Install Crowdly Extension Now!

Browser

Add to Chrome